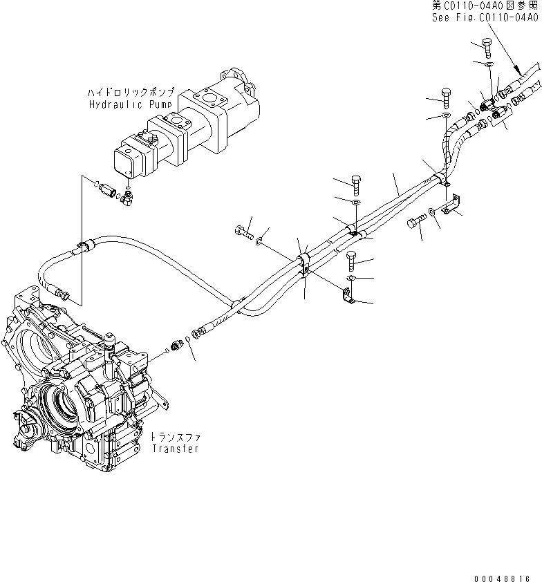
Запчасти Komatsu WA320-5 ПЕРЕДАЧА МАСЛООХЛАДИТЕЛЬ (SN H9 - ) C СИСТЕМА ОХЛАЖДЕНИЯ

Схема запчастей Komatsu WA320-5 - ПЕРЕДАЧА МАСЛООХЛАДИТЕЛЬ (SN H9 - ) C СИСТЕМА ОХЛАЖДЕНИЯ
4
5
6
3
2
6
17
18
16
1
19
18
17
13
11
12
7
10
9
8
12
11
14
15
13
2
FIT
1:1
100%

Артикул

Название

Примечание

Количество

1

419-14-31251

HOSE

SN: H50496-UP

1шт.

2

02896-21012

O-RING

SN: H50496-UP

2шт.

3

419-14-31330

CONNECTOR

SN: H50496-UP

1шт.

4

01010-81025

BOLT

SN: H50496-UP

1шт.

5

01643-31032

WASHER

SN: H50496-UP

1шт.

6

02896-21012

O-RING

SN: H50496-UP

3шт.

7

42A-16-11210

PLATE

SN: H50496-UP

1шт.

8

04434-52712

CLIP

SN: H50496-UP

1шт.

9

07095-20420

CUSHION

SN: H50496-UP

1шт.

10

04434-51912

CLIP

SN: H50496-UP

1шт.

11

01010-81020

BOLT

SN: H50496-UP

2шт.

12

01643-31032

WASHER

SN: H50496-UP

2шт.

13

04434-51912

CLIP

SN: H50496-UP

2шт.

14

01010-81020

BOLT

SN: H50496-UP

1шт.

15

01643-31032

WASHER

SN: H50496-UP

1шт.

16

04435-51912

CLIP

SN: H50496-UP

1шт.

17

01010-81020

BOLT

SN: H50496-UP

2шт.

18

01643-31032

WASHER

SN: H50496-UP

2шт.

19

286-90-13410

BRACKET

SN: H50496-UP

1шт.

Выбрано товаров: 19