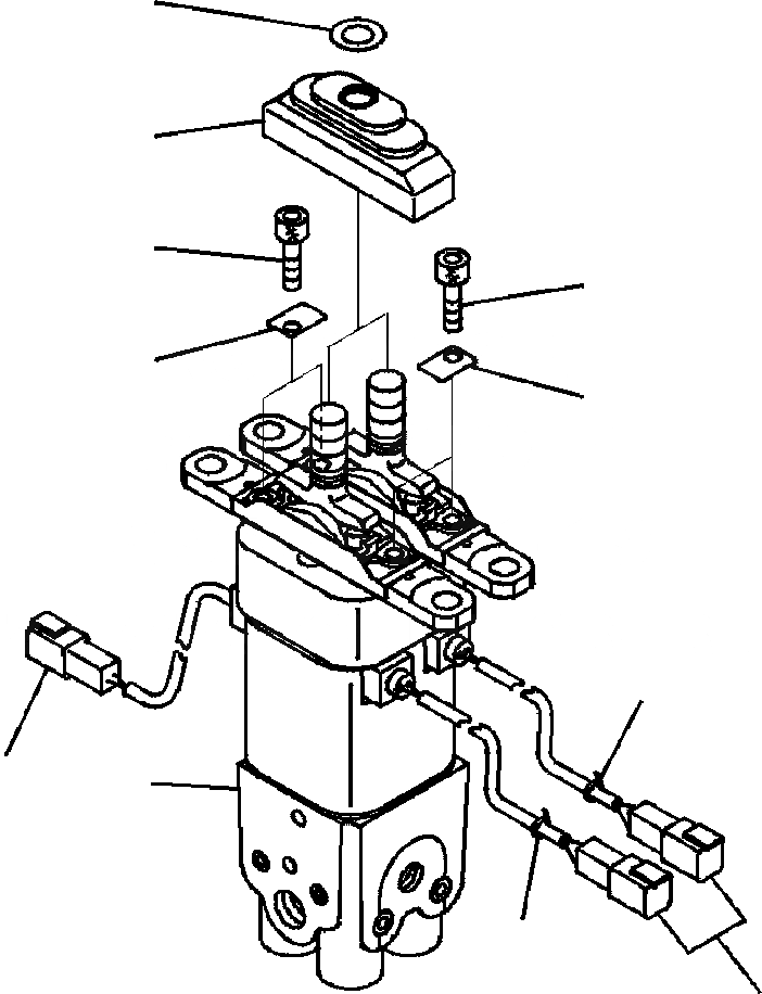
Запчасти Komatsu WA320-5L H7-A ГЛАВН. КЛАПАН ГИДРАВЛИКА

Схема запчастей Komatsu WA320-5L - H7-A ГЛАВН. КЛАПАН ГИДРАВЛИКА
5
2
3
3
4
4
8
1
6
8
7
FIT
1:1
100%

Артикул

Название

Примечание

Количество

1

702-16-03812

PILOT VALVE

SN: A32001--UP

1шт.

2

702-16-54641

BOOT

SN: A32001--UP

2шт.

3

01252-60625

BOLT

SN: A32001--UP

4шт.

4

702-16-54650

PLATE

SN: A32001--UP

4шт.

5

702-16-54920

RING

SN: A32001--UP

2шт.

6

08034-00310

BAND

SN: A32001--UP

1шт.

7

08034-20310

BAND

SN: A32001--UP

1шт.

8

08192-12810

CONNECTOR

SN: A32001--UP

3шт.

Выбрано товаров: 8