Запчасти Komatsu WA320-5L H-A ГИДРОЛИНИЯ ОСНОВН. ЛИНИИ (/) ГИДРАВЛИКА

Схема запчастей Komatsu WA320-5L - H-A ГИДРОЛИНИЯ ОСНОВН. ЛИНИИ (/) ГИДРАВЛИКА
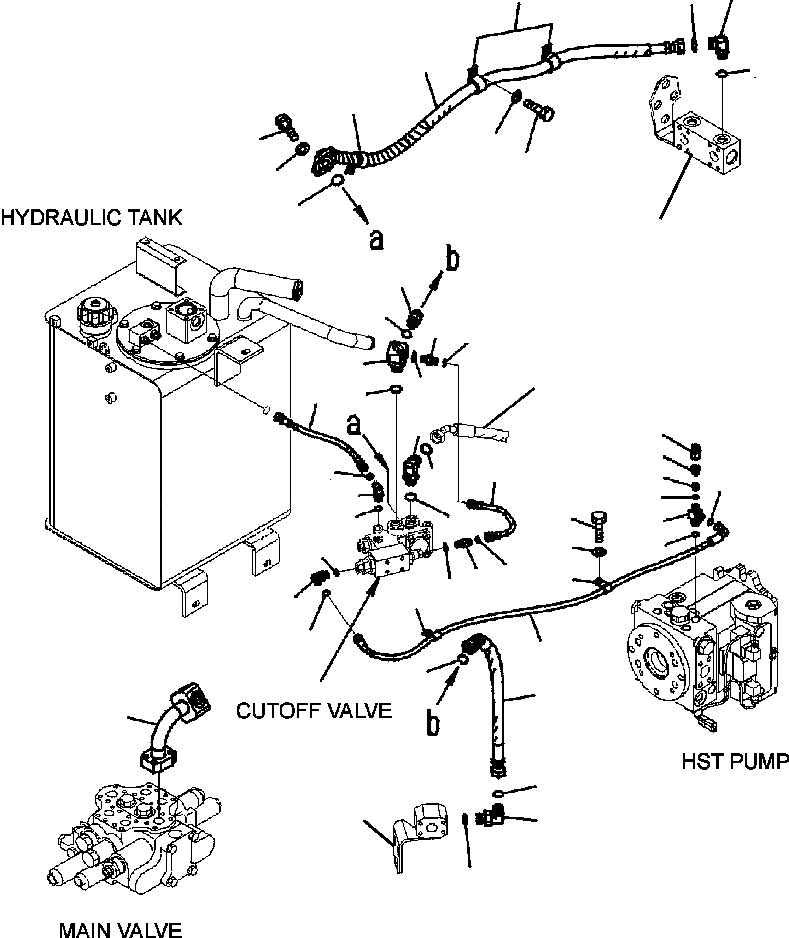
15
12
17
8
16
12
10
14
13
11
9
37
3
4
28
32
2
38
31
20
7
6
25
24
32
18
22
27
17
21
34
23
7
35
31
26
32
33
29
31
33
30
32
19
17
30
5
36
17
39
1
7
31
FIT
1:1
100%

Артикул

Название

Примечание

Количество

1

02782-10522

ELBOW

SN: A32001--UP

1шт.

2

419-62-31374

ELBOW

SN: A32001--UP

1шт.

3

02781-00516

UNION

SN: A32001--UP

1шт.

4

07002-12034

O-RING

SN: A32001--UP

1шт.

5

419-62-33335

HOSE

SN: A32001--UP

1шт.

6

02782-10522

ELBOW

SN: A32001--UP

1шт.

7

07002-12434

O-RING

SN: A32001--UP

3шт.

8

419-62-33764

HOSE

SN: A32001--UP

1шт.

9

07000-13025

O-RING

SN: A32001--UP

1шт.

10

01010-81035

BOLT

SN: A32001--UP

2шт.

11

01643-31032

WASHER

SN: A32001--UP

2шт.

12

04434-52712

CLIP

SN: A32001--UP

3шт.

13

01010-81020

BOLT

SN: A32001--UP

3шт.

14

01643-31032

WASHER

SN: A32001--UP

3шт.

15

02782-10516

ELBOW

SN: A32001--UP

1шт.

16

07002-12034

O-RING

SN: A32001--UP

1шт.

17

02896-11015

O-RING

SN: A32001--UP

4шт.

18

419-62-31630

TUBE

SN: A32001--UP

1шт.

19

419-62-33355

HOSE

SN: A32001--UP

1шт.

20

419-62-33882

HOSE

SN: A32001--UP

1шт.

|$20

419-18-31562

VALVE ASSEMBLY

SN: A32001--UP

1шт.

21

07000-12010

O-RING

SN: A32001--UP

1шт.

22

20U-60-22310

POPPET

SN: A32001--UP

1шт.

23

419-18-31523

ELBOW

SN: A32001--UP

1шт.

24

419-18-31551

PLUG

SN: A32001--UP

1шт.

25

419-62-31670

JOINT

SN: A32001--UP

1шт.

26

07002-11423

O-RING

SN: A32001--UP

1шт.

27

02896-11009

O-RING

SN: A32001--UP

1шт.

28

02781-0021D

UNION

SN: A32001--UP

1шт.

29

21W-62-43930

NIPPLE

SN: A32001--UP

1шт.

30

02782-10210

ELBOW

SN: A32001--UP

2шт.

31

07002-11423

O-RING

SN: A32001--UP

4шт.

32

02896-11008

O-RING

SN: A32001--UP

5шт.

33

04434-51212

CLIP

SN: A32001--UP

2шт.

34

01010-81025

BOLT

SN: A32001--UP

1шт.

35

01643-31032

WASHER

SN: A32001--UP

1шт.

36

419-62-34133

TUBE

SN: A32001--UP

1шт.

37

BLOCK (SEE FIG. H4200-09A0 )

SN: A32001--UP

-1шт.

38

HOSE, 790 MM (SEE FIG. H4200-01A0 )

SN: A32001--UP

-1шт.

39

BLOCK (SEE FIG. H4200-01A0 )

SN: A32001--UP

-1шт.

Выбрано товаров: 0