Запчасти Komatsu WA320-5L H-A ГИДРОЛИНИЯ PPC ТРУБЫ (/) ГИДРАВЛИКА

Схема запчастей Komatsu WA320-5L - H-A ГИДРОЛИНИЯ PPC ТРУБЫ (/) ГИДРАВЛИКА
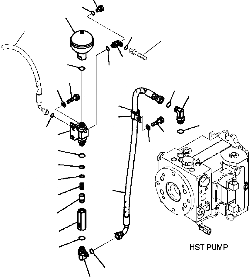
19
20
1
29
18
30
16
2
17
4
23
5
21
26
25
22
7
3
27
28
6
9
13
24
12
11
10
8
15
14
FIT
1:1
100%

Артикул

Название

Примечание

Количество

1

20Y-60-11410

ACCUMULATOR

SN: A32001--UP

1шт.

2

07002-12034

O-RING

SN: A32001--UP

1шт.

3

418-62-34232

TEE

SN: A32001--UP

1шт.

4

01010-81025

BOLT

SN: A32001--UP

2шт.

5

01643-31032

WASHER

SN: A32001--UP

2шт.

6

07002-12034

O-RING

SN: A32001--UP

1шт.

7

02896-11009

O-RING

SN: A32001--UP

1шт.

|$7

418-62-31491

VALVE ASSEMBLY

SN: A32001--UP

1шт.

8

07002-12034

O-RING

SN: A32001--UP

1шт.

|$9

205-60-64300

VALVE ASSEMBLY, CHECK

SN: A32001--UP

1шт.

9

04065-01410

RING

SN: A32001--UP

1шт.

10

205-60-64290

BODY

SN: A32001--UP

1шт.

11

205-60-51390

POPPET

SN: A32001--UP

1шт.

12

205-60-51410

SPRING

SN: A32001--UP

1шт.

13

205-60-51420

SEAT

SN: A32001--UP

1шт.

14

02782-10422

ELBOW

SN: A32001--UP

1шт.

15

02896-11012

O-RING

SN: A32001--UP

1шт.

16

02782-50210

ELBOW

SN: A32001--UP

1шт.

17

07002-11423

O-RING

SN: A32001--UP

1шт.

18

02896-11008

O-RING

SN: A32001--UP

1шт.

19

07040-11007

PLUG

SN: A32001--UP

1шт.

20

07002-11023

O-RING

SN: A32001--UP

1шт.

21

418-62-35130

ELBOW

SN: A32001--UP

1шт.

22

07000-12018

O-RING

SN: A32001--UP

1шт.

23

02896-11012

O-RING

SN: A32001--UP

1шт.

24

419-62-33622

HOSE

SN: A32001--UP

1шт.

25

04434-52712

CLIP

SN: A32001--UP

1шт.

26

07095-20418

CUSHION

SN: A32001--UP

1шт.

27

01010-81020

BOLT

SN: A32001--UP

1шт.

28

01643-31032

WASHER

SN: A32001--UP

1шт.

29

HOSE (SEE FIG. H4200-11A0 )

SN: A32001--UP

-1шт.

|$34

OR

31

-1шт.

29

HOSE (SEE FIG. H4200-11A1 )

SN: A32001--UP

-1шт.

30

HOSE (SEE FIG. K4450-01A0)

SN: A32001--UP

-1шт.

Выбрано товаров: 34