Запчасти Komatsu WA320-5L H-A ГИДРОЛИНИЯ ЗАГЛУШКАS ДЛЯ БЛОК БЕЗ ECSS ГИДРАВЛИКА

Схема запчастей Komatsu WA320-5L - H-A ГИДРОЛИНИЯ ЗАГЛУШКАS ДЛЯ БЛОК БЕЗ ECSS ГИДРАВЛИКА
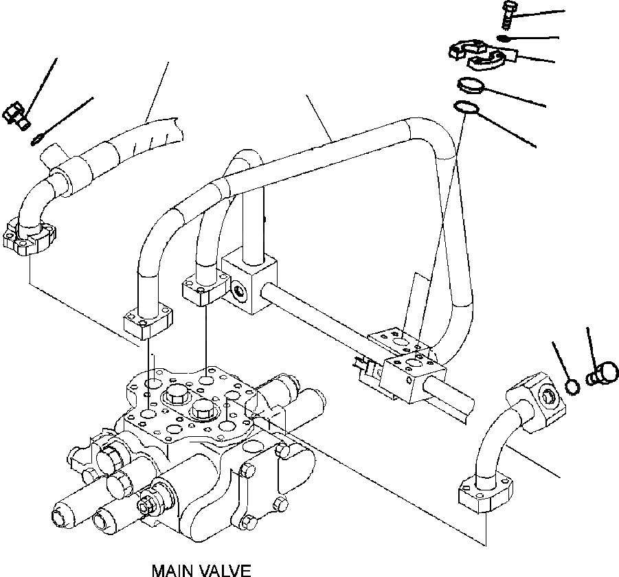
8
9
1
12
7
11
2
5
6
3
4
10
FIT
1:1
100%

Артикул

Название

Примечание

Количество

1

07040-12012

PLUG

SN: A32001--UP

1шт.

2

07002-12034

O-RING

SN: A32001--UP

1шт.

3

07040-12412

PLUG

SN: A32001--UP

1шт.

4

07002-12434

O-RING

SN: A32001--UP

1шт.

5

07378-11000

HEAD, PLUG

SN: A32001--UP

2шт.

6

07000-13032

O-RING

SN: A32001--UP

2шт.

7

07371-31049

FLANGE, SPLIT

SN: A32001--UP

4шт.

8

07372-21035

BOLT

SN: A32001--UP

8шт.

9

01643-51032

WASHER

SN: A32001--UP

8шт.

10

TUBE (SEE FIG. H4200-02A0 )

SN: A32001--UP

-1шт.

11

TUBE (SEE FIG. H4200-08A0)

SN: A32001--UP

-1шт.

12

HOSE (SEE FIG. H4200-03A0 )

SN: A32001--UP

-1шт.

Выбрано товаров: 12