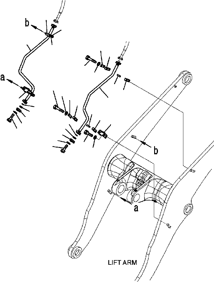
Запчасти Komatsu WA320-5L H-A ГИДРОЛИНИЯ ТРУБЫ СТРЕЛЫ (3-Х СЕКЦИОНН. КЛАПАН) ГИДРАВЛИКА

Схема запчастей Komatsu WA320-5L - H-A ГИДРОЛИНИЯ ТРУБЫ СТРЕЛЫ (3-Х СЕКЦИОНН. КЛАПАН) ГИДРАВЛИКА
11
12
6
12
11
11
16
17
14
13
15
11
12
8
11
1
13
5
11
2
1
8
4
5
3
2
4
3
10
9
7
FIT
1:1
100%

Артикул

Название

Примечание

Количество

1

07000-13025

O-RING

SN: A32001--UP

2шт.

2

07371-30638

FLANGE

SN: A32001--UP

4шт.

3

01010-80835

BOLT

SN: A32001--UP

8шт.

4

01643-50823

WASHER

SN: A32001--UP

8шт.

5

07378-10600

HEAD

SN: A32001--UP

2шт.

6

419-877-3430

TUBE, R.H.

SN: A32001--UP

1шт.

7

419-877-3420

TUBE, L.H.

SN: A32001--UP

1шт.

8

418-878-1310

BRACKET

SN: A32001--UP

2шт.

9

01010-81020

BOLT

SN: A32001--UP

4шт.

10

01643-31032

WASHER

SN: A32001--UP

4шт.

11

419-877-1371

CLAMP

SN: A32001--UP

8шт.

12

419-877-1380

PLATE

SN: A32001--UP

4шт.

13

419-877-1390

SPACER

SN: A32001--UP

8шт.

14

01010-81075

BOLT

SN: A32001--UP

4шт.

15

01643-31032

WASHER

SN: A32001--UP

4шт.

16

01010-81070

BOLT

SN: A32001--UP

4шт.

17

01643-31032

WASHER

SN: A32001--UP

4шт.

Выбрано товаров: 0