Запчасти Komatsu WA320-5L J9-A БЛОКИР. BAR И КРЫШКА3-Х СЕКЦИОНН. КЛАПАН ОСНОВНАЯ РАМА И ЕЕ ЧАСТИ

Схема запчастей Komatsu WA320-5L - J9-A БЛОКИР. BAR И КРЫШКА3-Х СЕКЦИОНН. КЛАПАН ОСНОВНАЯ РАМА И ЕЕ ЧАСТИ
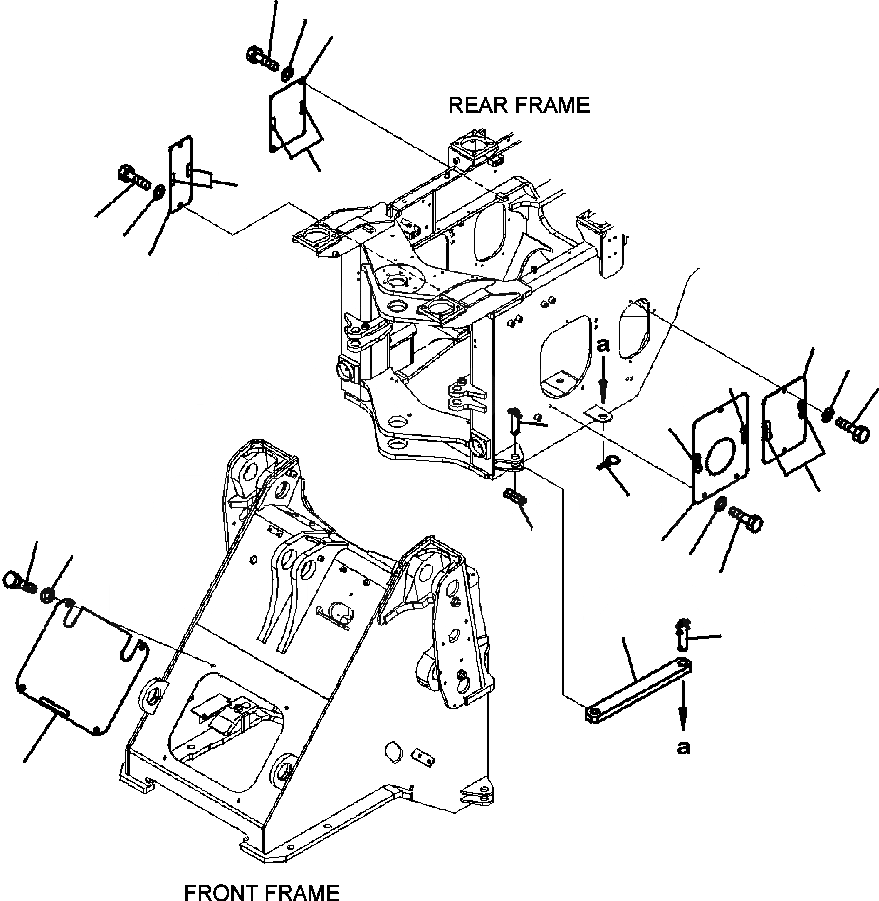
19
20
18
21
21
16
17
15
1
12
14
13
21
21
2
21
5
7
3
8
9
11
10
1
4
6
FIT
1:1
100%

Артикул

Название

Примечание

Количество

1

421-46-12920

BAR, LOCK

SN: A32001--UP

1шт.

2

421-46-12721

PIN

SN: A32001--UP

1шт.

3

04025-01065

PIN, SPRING

SN: A32001--UP

1шт.

4

421-46-12731

PIN

SN: A32001--UP

1шт.

5

421-46-12740

PIN, LINCH

SN: A32001--UP

1шт.

6

419-877-2220

COVER, FRONT

SN: A32001--UP

1шт.

7

01010-81225

BOLT

SN: A32001--UP

4шт.

8

01643-31232

WASHER

SN: A32001--UP

4шт.

9

418-46-34412

COVER, L.H.

SN: A32001--UP

1шт.

10

01010-81225

BOLT

SN: A32001--UP

3шт.

11

01643-31232

WASHER

SN: A32001--UP

3шт.

12

418-46-34420

COVER

SN: A32001--UP

1шт.

13

01010-81225

BOLT

SN: A32001--UP

2шт.

14

01643-31232

WASHER

SN: A32001--UP

2шт.

15

419-46-34420

COVER, R.H.

SN: A32001--UP

1шт.

16

01010-81225

BOLT

SN: A32001--UP

2шт.

17

01643-31232

WASHER

SN: A32001--UP

2шт.

18

419-46-34430

COVER, R.H.

SN: A32001--UP

1шт.

19

01010-81225

BOLT

SN: A32001--UP

2шт.

20

01643-31232

WASHER

SN: A32001--UP

2шт.

21

421-09-21420

SHEET, RUBBER W/ADHESIVE

SN: A32001--UP

8шт.

Выбрано товаров: 21