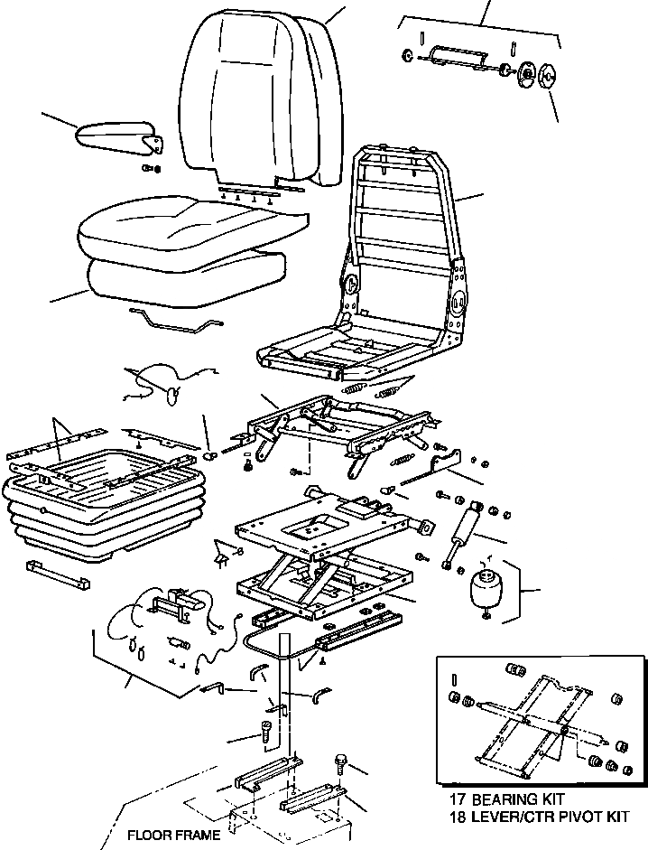
Запчасти Komatsu WA320-5L K-A OPERATOR СИДЕНЬЕ A IR RIDE OPERATORXD S ОБСТАНОВКА И СИСТЕМА УПРАВЛЕНИЯ

Схема запчастей Komatsu WA320-5L - K-A OPERATOR СИДЕНЬЕ A IR RIDE OPERATORXD S ОБСТАНОВКА И СИСТЕМА УПРАВЛЕНИЯ
3
4
19
7
1
5
9
8
6
7
15
2
7
13
10
14
11
12
12
16
23
17
18
22
21
20
FIT
1:1
100%

Артикул

Название

Примечание

Количество

|$0

423-960-A040

SEAT ASSEMBLY, COMPRESSED AIR RIDE (KAB 555 FABRIC)

SN: A32001--UP

1шт.

|$1

421-960-A210

KIT, UPPER ASSEMBLY, CHARCOAL FABRIC

SN: A32001--UP

1шт.

1

195-57-A0200

KIT, FRAME ASSEMBLY

SN: A32001--UP

1шт.

2

195-57-A0900

KIT, HEIGHT RISER LATCH

SN: A32001--UP

1шт.

3

195-57-A0220

KIT, LUMBAR SUPPORT

SN: A32001--UP

1шт.

4

195-57-A0300

KIT, BACK FOAM

SN: A32001--UP

1шт.

N/I

421-960-A220

KIT, BACK COVER, CHARCOAL FABRIC

SN: A32001--UP

1шт.

5

195-57-A0500

KIT, SEAT FOAM

SN: A32001--UP

1шт.

N/I

195-57-A0400

KIT, SEAT COVER, CHARCOAL FABRIC

SN: A32001--UP

1шт.

6

195-57-A0800

KIT, HEIGHT RISER ASSEMBLY

SN: A32001--UP

1шт.

7

421-960-A360

KIT, HANDLE

SN: A32001--UP

1шт.

8

195-57-A0010

KIT, HEIGHT RISER SPRING

SN: A32001--UP

1шт.

9

206-57-A1470

KIT, RECLINER CABLE

SN: A32001--UP

1шт.

10

421-960-A310

KIT, DAMPER

SN: A32001--UP

1шт.

11

421-960-A450

KIT, SUSPENSION ASSEMBLY

SN: A32001--UP

1шт.

12

421-960-A350

KIT, SLIDERAIL

SN: A32001--UP

1шт.

13

195-57-A0310

KIT, UPSTOP/BUMP STOP

SN: A32001--UP

1шт.

14

421-960-A460

KIT, AIR SPRING

SN: A32001--UP

1шт.

15

421-960-A470

KIT, SUSPENSION COVER

SN: A32001--UP

1шт.

16

421-960-A480

KIT, 24V COMPRESSOR/VALVE

SN: A32001--UP

1шт.

17

421-960-A490

KIT, BEARING

SN: A32001--UP

1шт.

18

421-960-A510

KIT, LEVER/CENTER PIVOT

SN: A32001--UP

1шт.

19

421-960-A430

KIT, ARMREST (L.H.)

SN: A32001--UP

1шт.

N/I

421-960-A440

KIT, ARMREST (R.H.)

SN: A32001--UP

1шт.

N/I

08192-12810

CONNECTOR

SN: A32001--UP

1шт.

N/I

08017-30704

CONDUIT

SN: A32001--UP

1шт.

N/I

08037-02512

GROMMET

SN: A32001--UP

1шт.

N/I

04434-51012

CLIP

SN: A32001--UP

1шт.

N/I

01010-81020

BOLT

SN: A32001--UP

1шт.

N/I

01643-31032

WASHER

SN: A32001--UP

1шт.

20

421-960-A111

BRACKET, L.H.

SN: A32001--UP

1шт.

21

421-960-A121

BRACKET, R.H.

SN: A32001--UP

1шт.

22

01435-01225

BOLT

SN: A32001--UP

4шт.

23

01252-70820

SCREW

SN: A32001--UP

4шт.

|$34

34

-1шт.

|$35

F2 - THIS KIT IS REQUIRED TO SERVICE THE CENTER PIVOT BEARING ON UNIT WITH WELDED PIVOT PINS

36

-1шт.

|$36

F2 - THIS KIT IS REQUIRED TO SERVICE THE CENTER PIVOT BEARING ON UNIT WITH WELDED PIVOT PINS

36

-1шт.

Выбрано товаров: 37