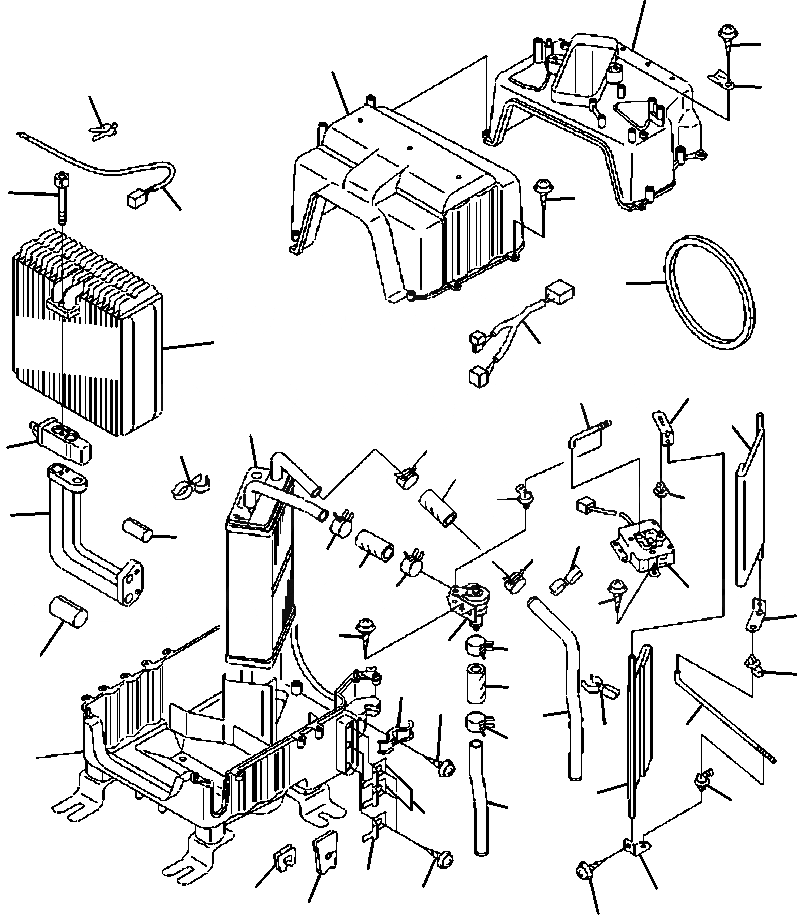
Запчасти Komatsu WA320-5L K-8A БЛОК КОНДИЦИОНЕРА БЛОК ОХЛАЖДЕНИЯ OPERATORXD S ОБСТАНОВКА И СИСТЕМА УПРАВЛЕНИЯ

Схема запчастей Komatsu WA320-5L - K-8A БЛОК КОНДИЦИОНЕРА БЛОК ОХЛАЖДЕНИЯ OPERATORXD S ОБСТАНОВКА И СИСТЕМА УПРАВЛЕНИЯ
11
42
10
41
4
7
12
3
33
2
20
22
29
9
13
16
37
5
15
28
31
6
37
36
16
16
15
30
16
32
25
32
16
17
21
26
19
15
43
18
37
27
16
1
8
28
14
39
38
35
40
24
34
23
FIT
1:1
100%

Артикул

Название

Примечание

Количество

|$0

AIR CONDITIONER (SEE FIG. K0210-81A0 )

SN: A32001--UP

-1шт.

|$1

ND445800-9182

AIR CONDITIONER

SN: A32001--UP

1шт.

1

ND245420-4200

CASE ASSEMBLY

SN: A32001--UP

1шт.

2

ND447600-0651

EVAPORATOR

SN: A32001--UP

1шт.

3

ND077500-3620

THERMOSTAT

SN: A32001--UP

1шт.

4

ND246690-2840

CLAMP

SN: A32001--UP

1шт.

5

ND447500-1030

VALVE, EXPANSION

SN: A32001--UP

1шт.

6

ND446870-2320

TUBE, AIR CONDITIONER

SN: A32001--UP

1шт.

N/I

ND949142-0030

O-RING

SN: A32001--UP

2шт.

N/I

ND949142-0010

O-RING

SN: A32001--UP

1шт.

7

ND949046-2150

BOLT

SN: A32001--UP

2шт.

8

ND116730-0520

DAMPER ASSEMBLY

SN: A32001--UP

1шт.

9

ND116730-0530

DAMPER ASSEMBLY

SN: A32001--UP

1шт.

10

ND245440-2191

CASE, COOLING UNIT

SN: A32001--UP

1шт.

11

ND116452-0561

CASE, HEATER

SN: A32001--UP

1шт.

12

ND949001-1730

SCREW

SN: A32001--UP

11шт.

13

ND116410-9680

UNIT ASSEMBLY, RADIATOR

SN: A32001--UP

1шт.

14

ND116427-5540

PIPE

SN: A32001--UP

1шт.

15

ND7052-200500

HOSE, WATER

SN: A32001--UP

3шт.

16

ND246690-5150

CLAMP

SN: A32001--UP

6шт.

17

ND113600-9260

VALVE ASSEMBLY, WATER

SN: A32001--UP

1шт.

18

ND116427-2320

PIPE

SN: A32001--UP

1шт.

19

ND017231-1400

CLAMP

SN: A32001--UP

1шт.

20

ND246440-5200

WIRING HARNESS

SN: A32001--UP

1шт.

21

ND7009-040050

PIPE, SHEET

SN: A32001--UP

1шт.

22

ND017732-3050

LEVER, CONTROL

SN: A32001--UP

1шт.

23

ND91370-03081

SCREW W/WASHER

SN: A32001--UP

3шт.

24

ND017732-3041

LEVER, CONTROL

SN: A32001--UP

1шт.

25

ND017732-3060

LEVER, CONTROL

SN: A32001--UP

1шт.

26

ND146625-5040

BUSHING

SN: A32001--UP

2шт.

27

ND116662-0581

SHAFT

SN: A32001--UP

1шт.

28

ND246690-2930

CLAMP

SN: A32001--UP

2шт.

29

ND116662-0590

SHAFT

SN: A32001--UP

1шт.

30

ND063700-6580

SERVO MOTOR ASSEMBLY

SN: A32001--UP

1шт.

31

ND146625-2630

BUSHING

SN: A32001--UP

1шт.

32

ND90930-06141

SCREW

SN: A32001--UP

6шт.

33

ND146668-9460

PACKING

SN: A32001--UP

1шт.

34

ND146984-4750

GROMMET

SN: A32001--UP

1шт.

35

ND146642-7930

PLATE

SN: A32001--UP

1шт.

36

ND7009-010050

PIPE, SHEET

SN: A32001--UP

1шт.

37

ND246690-6740

CLAMP

SN: A32001--UP

3шт.

38

ND017773-0140

CLIP

SN: A32001--UP

1шт.

39

ND017773-0180

CLIP

SN: A32001--UP

2шт.

40

ND949008-0780

SCREW, TAPPING, W/WASHER

SN: A32001--UP

3шт.

41

ND017660-3490

BRACKET

SN: A32001--UP

2шт.

42

ND90930-06121

SCREW, TAPPING

SN: A32001--UP

10шт.

43

ND90930-06161

SCREW, TAPPING

SN: A32001--UP

5шт.

Выбрано товаров: 47