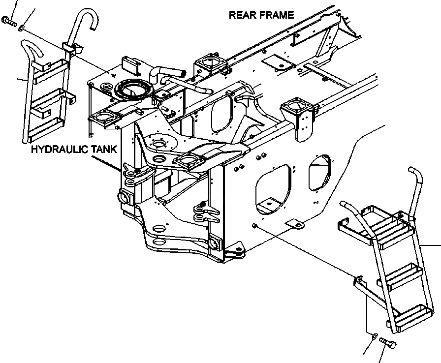
Запчасти Komatsu WA320-5L M-A ЛЕСТНИЦА ЧАСТИ КОРПУСА

Схема запчастей Komatsu WA320-5L - M-A ЛЕСТНИЦА ЧАСТИ КОРПУСА
5
6
4
1
3
2
FIT
1:1
100%

Артикул

Название

Примечание

Количество

1

418-54-34116

LADDER, L.H.

SN: A32001--UP

1шт.

2

01010-81225

BOLT

SN: A32001--UP

5шт.

3

01643-31232

WASHER

SN: A32001--UP

5шт.

4

419-54-34122

LADDER, R.H.

SN: A32001--UP

1шт.

5

01010-81225

BOLT

SN: A32001--UP

4шт.

6

01643-31232

WASHER

SN: A32001--UP

4шт.

Выбрано товаров: 6