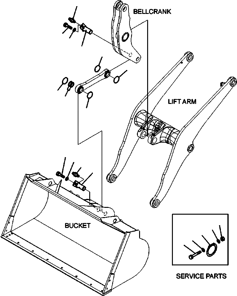
Запчасти Komatsu WA320-5L T-A РУКОЯТЬ И КОЛЕНЧАТЫЙ РЫЧАГ КРЕПЛЕНИЕ РАБОЧЕЕ ОБОРУДОВАНИЕ

Схема запчастей Komatsu WA320-5L - T-A РУКОЯТЬ И КОЛЕНЧАТЫЙ РЫЧАГ КРЕПЛЕНИЕ РАБОЧЕЕ ОБОРУДОВАНИЕ
11
8
10
1
4
4
4
3
4
9
10
11
2
7
8
5
8
6
FIT
1:1
100%

Артикул

Название

Примечание

Количество

1

419-70-31911

PIN

SN: A32001--UP

1шт.

2

419-70-31911

PIN

SN: A32001--UP

1шт.

3

419-70-11420

SHIM, 1.5 MM

SN: A32001--UP

1шт.

|$3

419-70-11430

SHIM, 3.0 MM

SN: A32001--UP

1шт.

4

NSS

O-RING

SN: A32001--UP

4шт.

5

419-70-11410

O-RING

SN: A32001--UP

8шт.

6

419-70-11490

BOLT

SN: A32001--UP

8шт.

7

01596-00606

NUT

SN: A32001--UP

4шт.

8

01641-20608

WASHER

SN: A32001--UP

16шт.

9

01010-81625

BOLT

SN: A32001--UP

2шт.

10

421-70-11280

WASHER

SN: A32001--UP

2шт.

11

07020-00000

FITTING, GREASE

SN: A32001--UP

2шт.

Выбрано товаров: 12