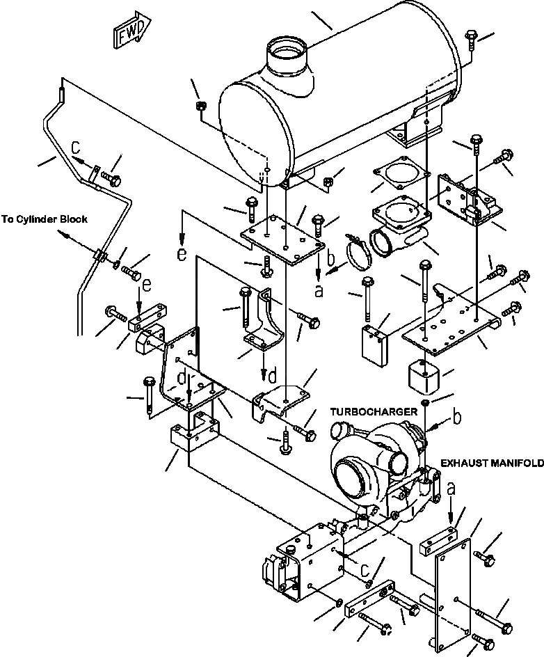
Запчасти Komatsu WA320-5L B-A ВЫПУСКН. ГЛУШИТЕЛЬ И КРЕПЛЕНИЕ КОМПОНЕНТЫ ДВИГАТЕЛЯ

Схема запчастей Komatsu WA320-5L - B-A ВЫПУСКН. ГЛУШИТЕЛЬ И КРЕПЛЕНИЕ КОМПОНЕНТЫ ДВИГАТЕЛЯ
1
3
31
9
18
31
17
6
21
2
27
35
5
20
13
19
4
29
8
14
10
12
33
11
24
27
7
23
25
26
16
15
32
26
22
30
28
34
35
36
42
37
42
39
38
40
41
FIT
1:1
100%

Артикул

Название

Примечание

Количество

1

6738-11-5542

MUFFLER

SN: A32001--UP

1шт.

2

6150-11-5710

GASKET

SN: A32001--UP

1шт.

3

01435-01025

BOLT

SN: A32001--UP

4шт.

4

6738-11-5611

ELBOW

SN: A32001--UP

1шт.

5

6738-11-5621

BRACKET

SN: A32001--UP

1шт.

6

01435-01020

BOLT

SN: A32001--UP

4шт.

7

6738-11-5342

BRACKET

SN: A32001--UP

1шт.

8

01435-01085

BOLT

SN: A32001--UP

2шт.

9

01435-01025

BOLT

SN: A32001--UP

2шт.

10

01435-00820

BOLT

SN: A32001--UP

1шт.

11

01435-00830

BOLT

SN: A32001--UP

1шт.

12

6738-11-5440

SPACER

SN: A32001--UP

1шт.

13

01435-00825

BOLT

SN: A32001--UP

2шт.

14

6167-11-4960

BOLT

SN: A32001--UP

2шт.

15

209-62-11810

SPACER

SN: A32001--UP

1шт.

16

6738-11-5360

SPACER

SN: A32001--UP

1шт.

17

6738-11-5411

TUBE

SN: A32001--UP

1шт.

18

01435-00820

BOLT

SN: A32001--UP

1шт.

19

01010-81225

BOLT

SN: A32001--UP

1шт.

20

01643-31232

WASHER

SN: A32001--UP

1шт.

21

6738-11-5450

PLATE

SN: A32001--UP

1шт.

22

6738-11-5460

PLATE

SN: A32001--UP

1шт.

23

6738-11-5630

BLOCK

SN: A32001--UP

1шт.

24

01435-01030

BOLT

SN: A32001--UP

2шт.

25

6738-11-5470

PLATE

SN: A32001--UP

1шт.

26

6738-11-5480

PLATE

SN: A32001--UP

1шт.

27

01435-01040

BOLT

SN: A32001--UP

4шт.

28

6738-11-5371

SPACER

SN: A32001--UP

1шт.

29

01435-01025

BOLT

SN: A32001--UP

2шт.

30

01435-01035

BOLT

SN: A32001--UP

2шт.

31

01580-01008

NUT

SN: A32001--UP

4шт.

32

01435-01070

BOLT

SN: A32001--UP

2шт.

33

01435-01080

BOLT

SN: A32001--UP

2шт.

34

6738-11-5660

BLOCK

SN: A32001--UP

1шт.

35

6738-11-5670

PLATE

SN: A32001--UP

1шт.

36

01435-01030

BOLT

SN: A32001--UP

4шт.

37

01435-01085

BOLT

SN: A32001--UP

2шт.

38

6738-11-5680

PLATE

SN: A32001--UP

1шт.

39

01435-01080

BOLT

SN: A32001--UP

1шт.

40

01435-01085

BOLT

SN: A32001--UP

1шт.

41

01435-01050

BOLT

SN: A32001--UP

2шт.

42

01643-31032

WASHER

SN: A32001--UP

2шт.

Выбрано товаров: 42