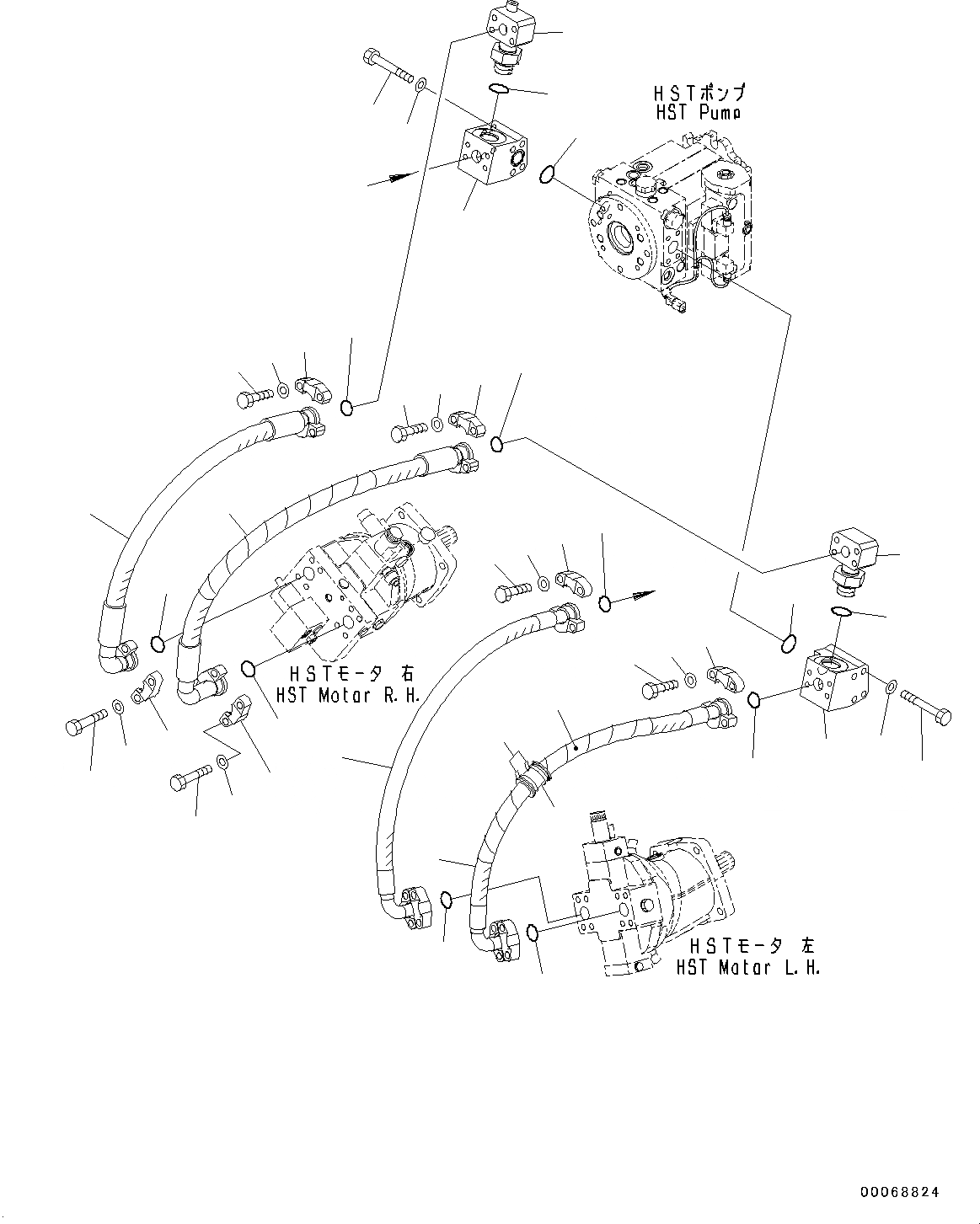
Запчасти Komatsu WA320-6 Highlift HYDROSTATIC ТРАНСМИССИЯ (HST) МАСЛОПРОВОДЯЩАЯ ЛИНИЯ, ОСНОВН. ТРУБЫ HYDROSTATIC ТРАНСМИССИЯ (HST) МАСЛОПРОВОДЯЩАЯ ЛИНИЯ

Схема запчастей Komatsu WA320-6 Highlift - HYDROSTATIC ТРАНСМИССИЯ (HST) МАСЛОПРОВОДЯЩАЯ ЛИНИЯ, ОСНОВН. ТРУБЫ HYDROSTATIC ТРАНСМИССИЯ (HST) МАСЛОПРОВОДЯЩАЯ ЛИНИЯ
5
4
12
11
23
25
9
26
13
19
6
9
8
22
24
7
26
23
3
18
17
2
6
1
13
10
12
13
16
14
19
15
13
9
12
10
24
19
19
23
26
20
27
21
28
a
a
FIT
1:1
100%

Артикул

Название

Примечание

Количество

1

419-18-31121

Block

SN: H00059-H00256

1шт.

2

419-18-41110

Elbow

SN: H00059-H00256

1шт.

3

07002-14234

O-Ring

SN: H00059-H00256

1шт.

4

01011-81420

Bolt

SN: H00059-H00256

4шт.

5

01643-31445

Washer

SN: H00059-H00256

4шт.

6

07000-13038

O-Ring

SN: H00059-H00256

2шт.

7

419-18-32113

Hose

SN: H00059-H00256

1шт.

8

07084-01210

Hose, Flange Type

SN: H00059-H00256

1шт.

9

419-18-31260

Flange, Split

SN: H00059-H00256

8шт.

10

01010-81450

Bolt

SN: H00059-H00256

12шт.

11

01010-81490

Bolt

SN: H00059-H00256

4шт.

12

722-13-11530

Washer

SN: H00059-H00256

16шт.

13

07000-13038

O-Ring

SN: H00059-H00256

4шт.

14

419-18-31131

Block

SN: H00059-H00256

1шт.

15

419-18-31210

Elbow

SN: H00059-H00256

1шт.

16

01011-81435

Bolt

SN: H00059-H00256

4шт.

17

01643-31445

Washer

SN: H00059-H00256

4шт.

18

07002-14234

O-Ring

SN: H00059-H00256

1шт.

19

07000-13038

O-Ring

SN: H00059-H00256

4шт.

20

419-18-42110

Hose

SN: H00059-H00256

1шт.

21

08210-02906

Spiral Tube

SN: H00059-H00256

1шт.

22

419-18-42340

Hose

SN: H00059-H00256

1шт.

23

419-18-31260

Flange, Split

SN: H00059-H00256

8шт.

24

01010-81450

Bolt

SN: H00059-H00256

12шт.

25

01010-81490

Bolt

SN: H00059-H00256

4шт.

26

722-13-11530

Washer

SN: H00059-H00256

16шт.

27

07095-01035

Cushion

SN: H00059-H00256

1шт.

28

08034-20834

Band

SN: H00059-H00256

2шт.

Выбрано товаров: 28