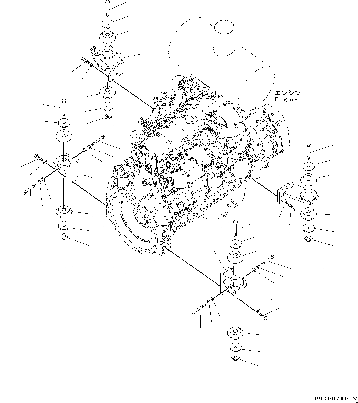
Запчасти Komatsu WA320-6 Highlift КРЕПЛЕНИЕ ДВИГАТЕЛЯ КРЕПЛЕНИЕ ДВИГАТЕЛЯ

Схема запчастей Komatsu WA320-6 Highlift - КРЕПЛЕНИЕ ДВИГАТЕЛЯ КРЕПЛЕНИЕ ДВИГАТЕЛЯ
1
2
3
4
5
5
5
5
12
12
14
10
11
8
8
7
7
6
6
6
6
9
9
13
14
13
8
7
9
7
9
8
10
11
12
12
12
12
12
12
14
13
10
11
14
13
10
11
FIT
1:1
100%

Артикул

Название

Примечание

Количество

1

419-01-48181

Bracket

SN: H00059-H00256

1шт.

2

419-01-48191

Bracket

SN: H00059-H00256

1шт.

3

419-01-48162

Bracket

SN: H00059-H00256

1шт.

4

419-01-48172

Bracket

SN: H00059-H00256

1шт.

5

01010-81245

Bolt

SN: H00059-H00256

14шт.

6

01643-31232

Washer

SN: H00059-H00256

14шт.

7

01580-11210

Nut

SN: H00059-H00256

4шт.

8

01643-31232

Washer

SN: H00059-H00256

4шт.

9

01016-51270

Bolt

SN: H00059-H00256

4шт.

10

418-01-41180

Plate

SN: H00059-H00256

4шт.

11

418-01-41160

Plate

SN: H00059-H00256

4шт.

12

20Y-01-12222

Cushion

SN: H00059-H00256

8шт.

13

01011-61640

Bolt

SN: H00059-H00256

4шт.

14

418-01-41180

Plate

SN: H00059-H00256

4шт.

Выбрано товаров: 14