Запчасти Komatsu WA320-6 Highlift ЗАДН. МОСТ СУППОРТ ЗАДН. МОСТ СУППОРТ

Схема запчастей Komatsu WA320-6 Highlift - ЗАДН. МОСТ СУППОРТ ЗАДН. МОСТ СУППОРТ
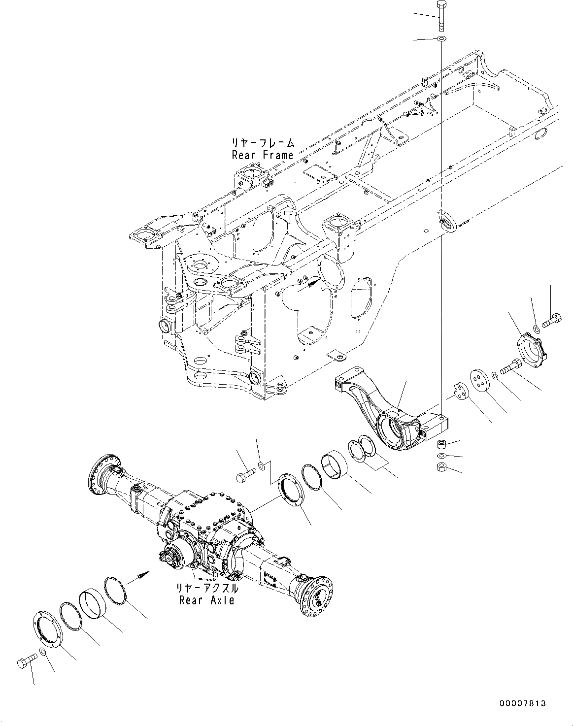
1
2
3
4
5
6
7
8
9
10
11
12
13
14
15
16
17
18
19
20
21
22
23
24
22
a
a
FIT
1:1
100%

Артикул

Название

Примечание

Количество

1

419-46-37111

Support

SN: H00059-H00256

1шт.

2

423-46-27180

Retainer

SN: H00059-H00256

1шт.

3

01016-51235

Bolt

SN: H00059-H00256

6шт.

4

01643-31232

Washer

SN: H00059-H00256

6шт.

5

421-46-15132

Packing

SN: H00059-H00256

1шт.

6

424-46-12172

Bushing,Rear

SN: H00059-H00256

1шт.

7

423-46-27120

Washer, Thrust

SN: H00059-H00256

2шт.

8

423-46-27140

Plate, Thrust

SN: H00059-H00256

1шт.

9

423-46-27130

Plate

SN: H00059-H00256

1шт.

10

01010-62090

Bolt

SN: H00059-H00256

4шт.

11

01643-32060

Washer

SN: H00059-H00256

4шт.

12

423-46-27150

Cover

SN: H00059-H00256

1шт.

13

01010-81260

Bolt

SN: H00059-H00256

6шт.

14

01643-31232

Washer

SN: H00059-H00256

6шт.

15

423-46-27170

Retainer

SN: H00059-H00256

1шт.

16

01016-51235

Bolt

SN: H00059-H00256

6шт.

17

01643-31232

Washer

SN: H00059-H00256

6шт.

18

419-46-12480

Packing

SN: H00059-H00256

1шт.

19

423-46-27190

Seal, Dust

SN: H00059-H00256

1шт.

20

423-46-27220

Bushing

SN: H00059-H00256

1шт.

21

01011-62785

Bolt

SN: H00059-H00256

4шт.

22

01643-32780

Washer

SN: H00059-H00256

8шт.

23

01580-02722

Nut

SN: H00059-H00256

4шт.

24

419-46-37120

Spacer

SN: H00059-H00256

4шт.

Выбрано товаров: 24