Запчасти Komatsu WA320-6 Highlift CENTRAL СМАЗКА СИСТЕМА, ПЕРЕДН. РАМА, ФИДЕР (/) CENTRAL СМАЗКА СИСТЕМА

Схема запчастей Komatsu WA320-6 Highlift - CENTRAL СМАЗКА СИСТЕМА, ПЕРЕДН. РАМА, ФИДЕР (/) CENTRAL СМАЗКА СИСТЕМА
10
9
4
2
5
6
3
7
12
11
9
10
10
9
8
2
1
8
10
9
q
q
i
i
n
n
l
l
d
d
C
c
C
c
j
k
m
o
p
p
p
j
k
m
i
FIT
1:1
100%

Артикул

Название

Примечание

Количество

|$1

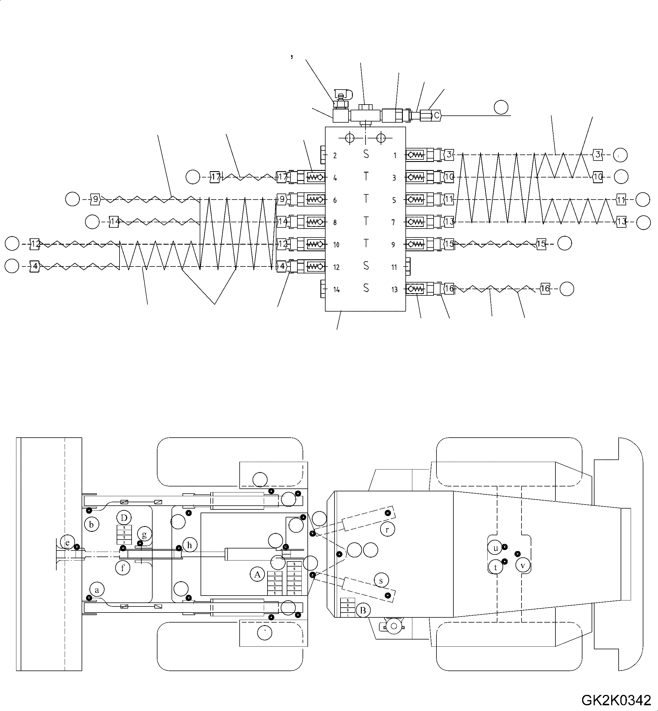
419-S95-H850

Feeder Assembly

SN: H00059-H00256

1шт.

1

419-09-H3800

Feeder Front Frame

SN: H00059-H00256

1шт.

2

42W-09-H4650

Valve

SN: H00059-H00256

11шт.

3

421-09-H4520

Union

SN: H00059-H00256

1шт.

4

425-09-H0240

Elbow

SN: H00059-H00256

1шт.

5

421-09-H3870

Lubrication Nipple

SN: H00059-H00256

1шт.

6

42W-09-H3350

Cap

SN: H00059-H00256

1шт.

7

419-09-H2780

Union

SN: H00059-H00256

1шт.

8

42W-09-H2940

Safety Cap

SN: H00059-H00256

12шт.

9

42W-09-H0P06

Hose, 5M

SN: H00059-H00256

-26шт.

|$11

42W-09-H0P07

Hose, 10M

SN: H00059-H00256

-26шт.

|$12

42W-09-H0P08

Hose, 25M

SN: H00059-H00256

-26шт.

10

42W-09-H0P11

Hose Protector, 10M, 10mm

SN: H00059-H00256

-26шт.

|$14

42W-09-H0P12

Hose Protector, 10M, 16mm

SN: H00059-H00256

-26шт.

11

423-00-H1920

Bushing

SN: H00059-H00256

1шт.

12

42T-09-H3810

Tube

SN: H00059-H00256

1шт.

Выбрано товаров: 16