Запчасти Komatsu WA320-6 Highlift КОНСОЛЬ, KOMTRAX И РЕЛЕ КОНСОЛЬ

Схема запчастей Komatsu WA320-6 Highlift - КОНСОЛЬ, KOMTRAX И РЕЛЕ КОНСОЛЬ
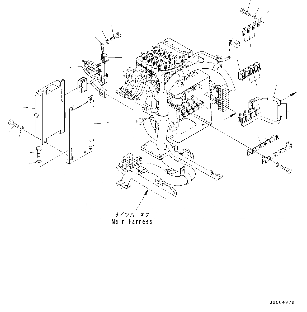
12
13
14
15
17
17
18
19
16
10
11
9
8
7
1
2
3
6
5
4
a
a
FIT
1:1
100%

Артикул

Название

Примечание

Количество

1

7826-20-7037

Controller

SN: H00059-H00256

1шт.

2

01016-50825

Bolt

SN: H00059-H00256

4шт.

3

01643-30823

Washer

SN: H00059-H00256

4шт.

4

419-54-42680

Bracket

SN: H00059-H00256

1шт.

5

01010-80816

Bolt

SN: H00059-H00256

4шт.

6

01643-30823

Washer

SN: H00059-H00256

4шт.

7

418-06-41391

Wiring Harness

SN: H00059-H00256

1шт.

8

569-06-61960

Relay

SN: H00059-H00256

1шт.

9

287-06-16420

Holder

SN: H00059-H00256

1шт.

10

01010-80610

Bolt

SN: H00059-H00256

1шт.

11

01643-30623

Washer

SN: H00059-H00256

1шт.

12

418-06-42130

Wiring Harness

SN: H00059-H00256

1шт.

13

08059-00310

Clip

SN: H00059-H00256

2шт.

14

418-54-43110

Bracket

SN: H00059-H00256

1шт.

15

569-06-61960

Relay

SN: H00059-H00256

3шт.

16

569-06-61970

Relay

SN: H00059-H00256

1шт.

17

287-06-16420

Holder

SN: H00059-H00256

4шт.

18

01010-80616

Bolt

SN: H00059-H00256

4шт.

19

01643-30623

Washer

SN: H00059-H00256

4шт.

Выбрано товаров: 19