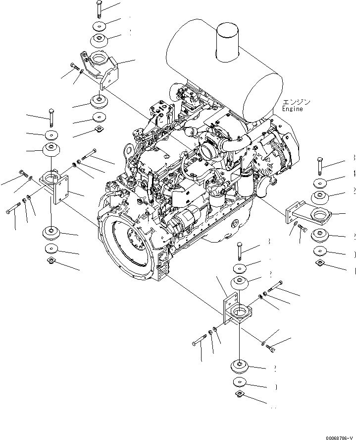
Запчасти Komatsu WA320-6 КРЕПЛЕНИЕ ДВИГАТЕЛЯ(№7-) КОМПОНЕНТЫ ДВИГАТЕЛЯ

Схема запчастей Komatsu WA320-6 - КРЕПЛЕНИЕ ДВИГАТЕЛЯ(№7-) КОМПОНЕНТЫ ДВИГАТЕЛЯ
1
2
3
4
5
5
5
5
6
6
6
6
7
7
7
7
8
8
8
8
9
9
9
9
10
10
10
10
11
11
11
11
12
12
12
12
12
12
12
12
13
13
13
13
14
14
14
14
FIT
1:1
100%

Артикул

Название

Примечание

Количество

1

419-01-48181

BRACKET,L.H.

SN: 70001-UP

1шт.

2

419-01-48191

BRACKET,R.H.

SN: 70001-UP

1шт.

3

419-01-48162

BRACKET,L.H.

SN: 70001-UP

1шт.

4

419-01-48172

BRACKET,R.H.

SN: 70001-UP

1шт.

5

01010-81245

BOLT

SN: 70001-UP

14шт.

6

01643-31232

WASHER

SN: 70001-UP

14шт.

7

01580-11210

NUT

SN: 70001-UP

4шт.

8

01643-31232

WASHER

SN: 70001-UP

4шт.

9

01016-51270

BOLT

SN: 70001-UP

4шт.

10

418-01-41180

PLATE

SN: 70001-UP

4шт.

11

418-01-41160

PLATE

SN: 70001-UP

4шт.

12

20Y-01-12222

CUSHION

SN: 70001-UP

8шт.

13

01011-61640

BOLT

SN: 70001-UP

4шт.

14

418-01-41180

PLATE

SN: 70001-UP

4шт.

Выбрано товаров: 14