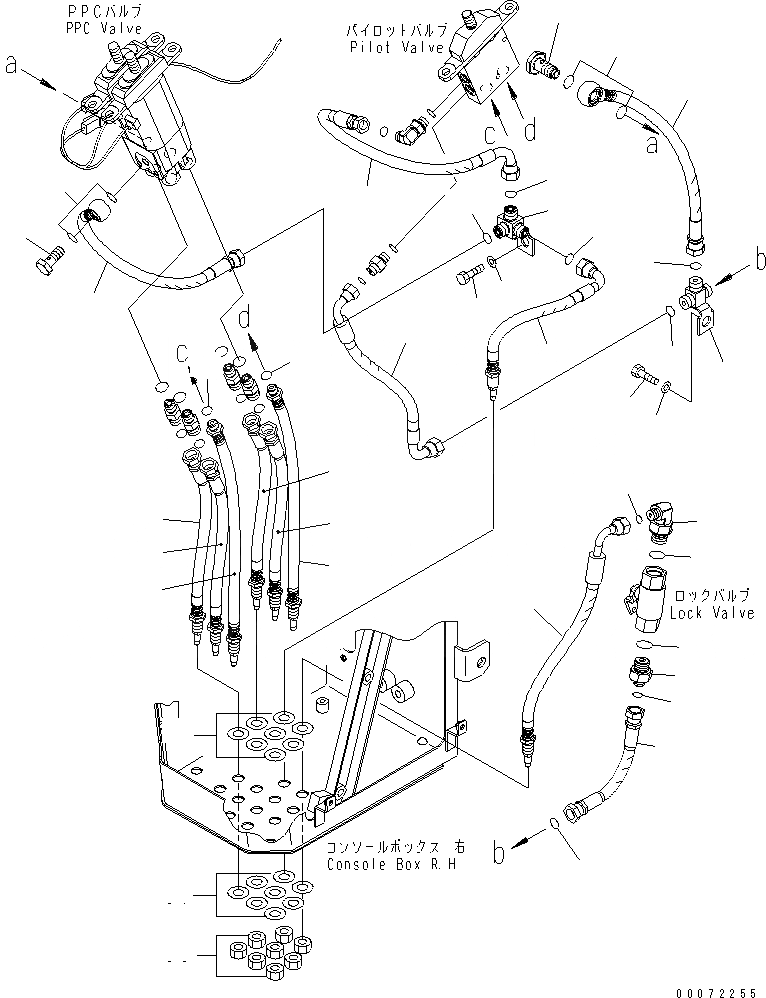
Запчасти Komatsu WA320-6 УПРАВЛЕНИЕ ПОГРУЗКОЙ (P.P.C. ШЛАНГИ) (ДЛЯ -РЫЧАГИ)(№7-) КАБИНА ОПЕРАТОРА И СИСТЕМА УПРАВЛЕНИЯ

Схема запчастей Komatsu WA320-6 - УПРАВЛЕНИЕ ПОГРУЗКОЙ (P.P.C. ШЛАНГИ) (ДЛЯ -РЫЧАГИ)(№7-) КАБИНА ОПЕРАТОРА И СИСТЕМА УПРАВЛЕНИЯ
1
2
3
4
5
6
7
8
9
10
11
12
12
13
14
15
16
17
18
19
20
21
22
23
24
24
25
26
27
28
29
30
31
31
32
32
33
33
34
34
FIT
1:1
100%

Артикул

Название

Примечание

Количество

1

419-43-38130

HOSE, 395MM,RED-YELLOW

SN: 70001-UP

1шт.

2

02782-10315

ELBOW

SN: 70001-UP

1шт.

3

02896-11009

O-RING

SN: 70001-UP

1шт.

4

07002-02034

O-RING

SN: 70001-UP

1шт.

5

02781-00315

UNION

SN: 70001-UP

1шт.

6

07002-02034

O-RING

SN: 70001-UP

1шт.

7

02896-11009

O-RING

SN: 70001-UP

1шт.

8

419-877-3540

HOSE, 325MM,RED-BLUE

SN: 70001-UP

1шт.

9

702-16-53240

PLUG

SN: 70001-UP

1шт.

10

07000-12018

O-RING

SN: 70001-UP

2шт.

11

419-U77-3671

TEE

SN: 70001-UP

1шт.

12

02896-11009

O-RING

SN: 70001-UP

2шт.

13

02896-11008

O-RING

SN: 70001-UP

1шт.

14

419-U77-3510

HOSE, 185MM,BLUE-RED

SN: 70001-UP

1шт.

15

418-43-38440

HOSE, 340MM,RED-YELLOW

SN: 70001-UP

1шт.

16

419-43-38340

HOSE, 310MM,RED

SN: 70001-UP

1шт.

17

419-43-38350

HOSE, 300MM,BLUE

SN: 70001-UP

1шт.

18

419-43-38360

HOSE, 310MM,YELLOW

SN: 70001-UP

1шт.

19

419-43-38370

HOSE, 300MM,ORANGE

SN: 70001-UP

1шт.

20

20Y-62-16170

BOLT

SN: 70001-UP

1шт.

21

07000-12015

O-RING

SN: 70001-UP

2шт.

22

419-877-3560

HOSE, 395MM,BLUE-BLACK

SN: 70001-UP

1шт.

23

419-U77-3592

TEE

SN: 70001-UP

1шт.

24

02896-11009

O-RING

SN: 70001-UP

2шт.

25

02896-11008

O-RING

SN: 70001-UP

1шт.

26

419-U77-3540

HOSE, 290MM,BLUE-BLACK

SN: 70001-UP

1шт.

27

418-43-38460

HOSE, 490MM,BLUE-BLACK

SN: 70001-UP

1шт.

28

419-877-3510

HOSE, 425MM,GREEN

SN: 70001-UP

1шт.

29

419-877-3520

HOSE, 435MM,WHITE-RED

SN: 70001-UP

1шт.

30

01583-11408

NUT

SN: 70001-UP

8шт.

31

01643-31445

WASHER

SN: 70001-UP

16шт.

32

07000-12011

O-RING

SN: 70001-UP

2шт.

33

01010-81220

BOLT

SN: 70001-UP

2шт.

34

01643-31232

WASHER

SN: 70001-UP

2шт.

Выбрано товаров: 34