Запчасти Komatsu WA320-6 HST МОТОР (/7) (С ORIFICE)(№7-) ОСНОВН. КОМПОНЕНТЫ И РЕМКОМПЛЕКТЫ

Схема запчастей Komatsu WA320-6 - HST МОТОР (/7) (С ORIFICE)(№7-) ОСНОВН. КОМПОНЕНТЫ И РЕМКОМПЛЕКТЫ
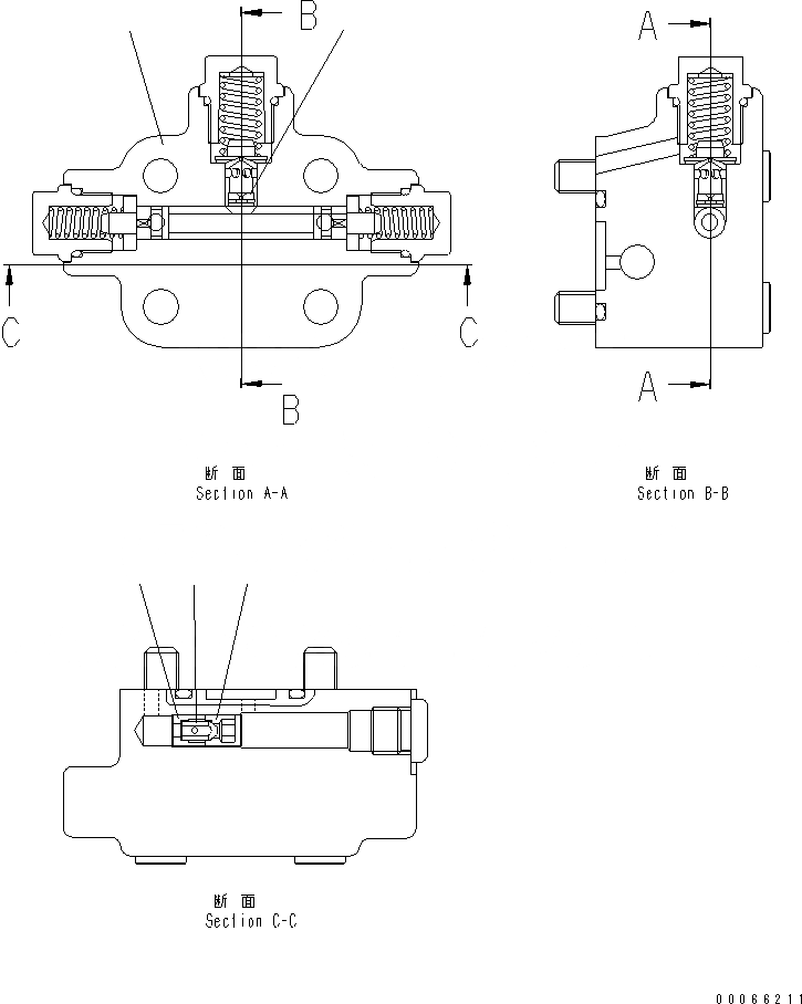
1
2
3
4
5
FIT
1:1
100%

Артикул

Название

Примечание

Количество

|$1

419-18-41300

MOTOR

SN: 70001-UP

1шт.

|$$2

THIS ASSEMBLY CONSISTS OF ALL PARTS SHOWN IN FIGS.Y1651-01A1 TO Y1651-07A1.

-1шт.

|$$3

THE UCHIDA YUATSU KIKI PART NUMBER IS THAT UC IS REMOVED FROM KOMATSU PART NUMBER LISTED BELOW.

-1шт.

|$4

UCR902115809

FLASHING VALVE

SN: 70001-UP

1шт.

1

UCR902115773

FLASHING VALVE

SN: 70001-UP

1шт.

2

UC1704258687

ORIFICE

SN: 70001-UP

1шт.

3

UC1704196974

ORIFICE

SN: 70001-UP

1шт.

4

UC1704002631

GUIDE

SN: 70001-UP

1шт.

5

UC1704002649

GUIDE

SN: 70001-UP

1шт.

Выбрано товаров: 9