Запчасти Komatsu WA320-6 ЛИНИЯ ОХЛАЖДЕНИЯ(№7-) СИСТЕМА ОХЛАЖДЕНИЯ

Схема запчастей Komatsu WA320-6 - ЛИНИЯ ОХЛАЖДЕНИЯ(№7-) СИСТЕМА ОХЛАЖДЕНИЯ
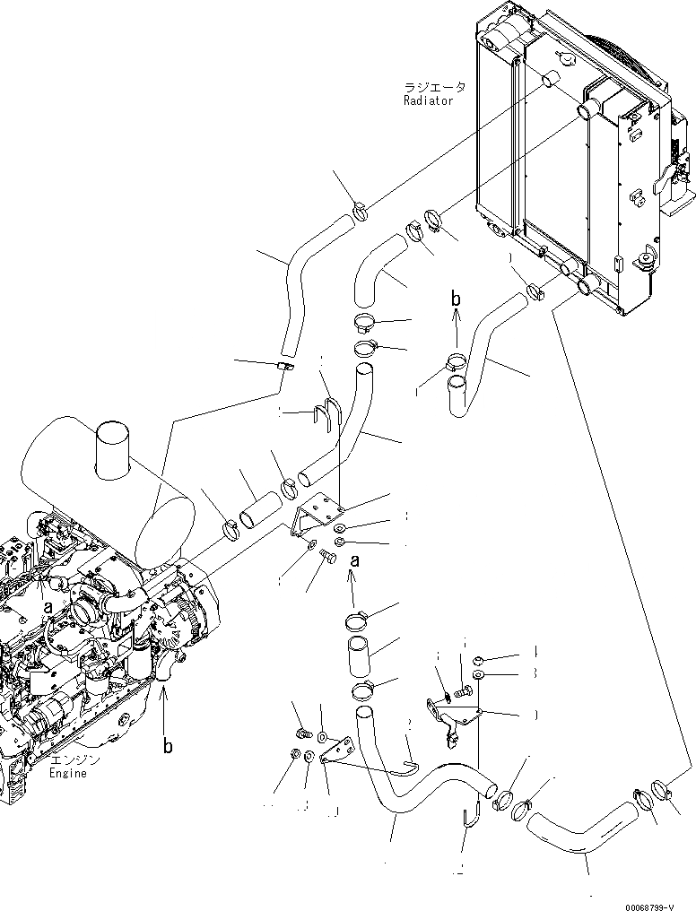
1
2
3
4
5
6
7
8
9
9
9
9
9
9
10
10
10
10
11
11
11
11
11
11
12
12
12
12
13
13
13
14
14
14
15
16
17
18
19
20
21
22
23
FIT
1:1
100%

Артикул

Название

Примечание

Количество

1

419-03-48292

HOSE

SN: 70001-UP

1шт.

2

419-03-48202

HOSE

SN: 70001-UP

1шт.

3

419-03-48320

HOSE

SN: 70001-UP

1шт.

4

419-03-48244

TUBE

SN: 70001-UP

1шт.

5

423-03-41850

HOSE

SN: 70001-UP

1шт.

6

419-03-48223

HOSE

SN: 70001-UP

1шт.

7

419-03-48253

TUBE

SN: 70001-UP

1шт.

8

419-03-48360

HOSE

SN: 70001-UP

1шт.

9

07299-00070

CLAMP

SN: 70001-UP

6шт.

10

07289-00055

CLAMP

SN: 70001-UP

4шт.

11

07299-00070

CLAMP

SN: 70001-UP

6шт.

12

203-01-67580

CLIP

SN: 70001-UP

4шт.

13

01643-31032

WASHER

SN: 70001-UP

8шт.

14

01597-01009

NUT

SN: 70001-UP

8шт.

15

01010-81225

BOLT

SN: 70001-UP

2шт.

16

01643-31232

WASHER

SN: 70001-UP

2шт.

17

01010-81235

BOLT

SN: 70001-UP

2шт.

18

01643-31232

WASHER

SN: 70001-UP

2шт.

19

419-03-48263

PLATE

SN: 70001-UP

1шт.

20

419-03-48273

BRACKET

SN: 70001-UP

1шт.

21

418-03-42190

BRACKET

SN: 70001-UP

1шт.

22

01010-81040

BOLT

SN: 70001-UP

4шт.

23

01643-31032

WASHER

SN: 70001-UP

4шт.

Выбрано товаров: 0