Качественные детали и логистика
Оригинальные и аналоговые запчасти с доставкой по России, Казахстану и Беларуси
©2022 PartSell ООО "Система" ИНН 2463123282 ОГРН 1212400004838
Центральный офис: г. Красноярск, Академика Киренского, д.87, пом.4
Телефон: 8 (800) 777-65-74 Email: zakaz@partsell.ru
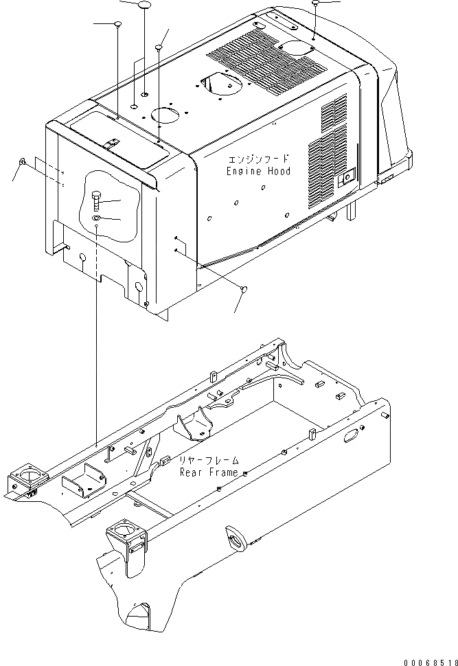
КАПОТ (ЭЛЕМЕНТЫ КРЕПЛЕНИЯ)(№7-)
№
Артикул
Название
Примечание
Количество
1
01010-81230
BOLT
SN: 70001-UP
6шт.
2
01643-31232
WASHER
3
416-54-21710
PLUG
7шт.
4
195-54-42981
CAP
2шт.
Выбрано товаров: 0