Запчасти Komatsu WA320-6 УПРАВЛЯЮЩ. КЛАПАН (3-Х СЕКЦИОНН.) (/)(№7-) ОСНОВН. КОМПОНЕНТЫ И РЕМКОМПЛЕКТЫ

Схема запчастей Komatsu WA320-6 - УПРАВЛЯЮЩ. КЛАПАН (3-Х СЕКЦИОНН.) (/)(№7-) ОСНОВН. КОМПОНЕНТЫ И РЕМКОМПЛЕКТЫ
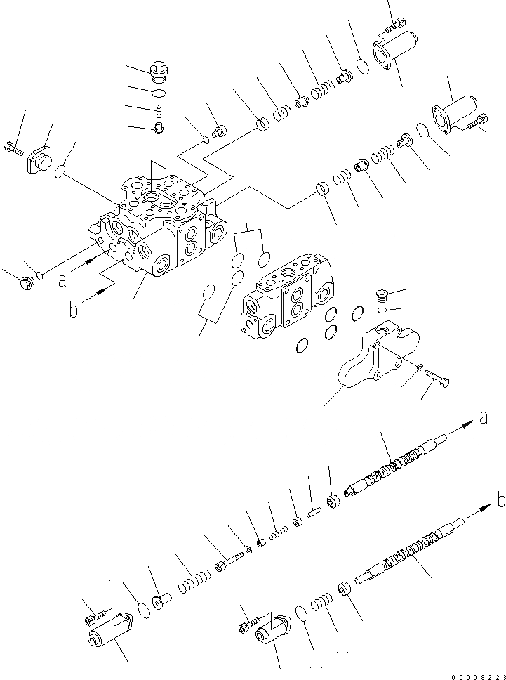
1
2
3
4
5
6
6
6
7
7
8
8
9
10
11
11
11
11
12
13
14
14
14
14
15
16
17
18
19
20
21
22
22
22
23
23
24
24
25
25
26
27
28
29
30
31
32
33
34
35
36
37
38
39
FIT
1:1
100%

Артикул

Название

Примечание

Количество

|$1

709-93-12700

CONTROL VALVE

SN: 70001-UP

1шт.

|$$2

THIS ASSEMBLY CONSISTS OF ALL PARTS SHOWN IN FIGS.Y1663-01A0 T0 Y1663-03A0.

-1шт.

|$4

700-92-00110

BODY SUB ASS'Y

SN: 70001-UP

1шт.

1

0

BODY,VALVE

SN: 70001-UP

1шт.

2

700-22-11370

PLUG

SN: 70001-UP

4шт.

3

07002-12434

O-RING

SN: 70001-UP

4шт.

4

0

SPOOL

SN: 70001-UP

1шт.

5

0

SPOOL

SN: 70001-UP

1шт.

6

709-94-91130

RETAINER

SN: 70001-UP

3шт.

7

709-94-92530

RETAINER

SN: 70001-UP

2шт.

8

709-94-92540

RETAINER

SN: 70001-UP

2шт.

9

709-94-91170

RETAINER

SN: 70001-UP

1шт.

10

709-94-91120

SPRING

SN: 70001-UP

1шт.

11

01252-60820

BOLT

SN: 70001-UP

8шт.

12

709-94-91210

CASE

SN: 70001-UP

1шт.

13

700-92-11750

RETAINER

SN: 70001-UP

1шт.

14

07430-71380

O-RING

SN: 70001-UP

4шт.

15

700-22-11910

BOLT

SN: 70001-UP

1шт.

16

01643-30623

WASHER

SN: 70001-UP

1шт.

17

700-92-11730

COLLAR

SN: 70001-UP

1шт.

18

700-92-11910

RETAINER

SN: 70001-UP

1шт.

19

700-92-11740

RETAINER

SN: 70001-UP

1шт.

20

700-92-11880

SPRING

SN: 70001-UP

1шт.

21

700-92-11890

SPRING

SN: 70001-UP

1шт.

22

709-94-92560

CASE

SN: 70001-UP

3шт.

23

700-92-11760

SPRING

SN: 70001-UP

2шт.

24

709-94-92510

SPRING

SN: 70001-UP

2шт.

25

07000-13038

O-RING

SN: 70001-UP

4шт.

26

700-93-11461

VALVE,CHECK

SN: 70001-UP

2шт.

27

700-93-11471

SPRING

SN: 70001-UP

2шт.

28

700-93-11481

PLUG

SN: 70001-UP

2шт.

29

07002-13634

O-RING

SN: 70001-UP

2шт.

30

07041-13612

PLUG

SN: 70001-UP

1шт.

31

07002-13634

O-RING

SN: 70001-UP

1шт.

32

700-93-12111

FLANGE

SN: 70001-UP

1шт.

33

07000-13035

O-RING

SN: 70001-UP

1шт.

34

01010-81025

BOLT

SN: 70001-UP

2шт.

35

700-92-11870

COVER

SN: 70001-UP

1шт.

36

723-26-15230

PLUG

SN: 70001-UP

1шт.

37

07002-12434

O-RING

SN: 70001-UP

1шт.

38

01011-81235

BOLT

SN: 70001-UP

4шт.

39

01643-51232

WASHER

SN: 70001-UP

4шт.

Выбрано товаров: 42