Запчасти Komatsu WA320-6 ГИДР. БАК., ГИДР. БАК. ТРУБЫ (№79-) ГИДР. БАК., ДЛЯ КАБИНЫ, ДЛЯ НАВЕСА

Схема запчастей Komatsu WA320-6 - ГИДР. БАК., ГИДР. БАК. ТРУБЫ (№79-) ГИДР. БАК., ДЛЯ КАБИНЫ, ДЛЯ НАВЕСА
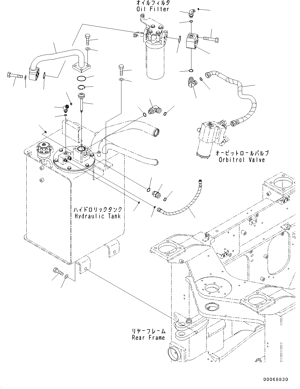
1
2
3
4
5
6
7
8
9
10
11
12
13
14
15
16
17
18
19
20
21
22
23
24
25
26
27
28
29
30
31
32
21
21
31
32
FIT
1:1
100%

Артикул

Название

Примечание

Количество

1

419-62-48322

Hose

SN: 70291-UP

1шт.

2

419-62-48440

Block

SN: 70291-UP

1шт.

3

07000-13038

O-ring

SN: 70291-UP

1шт.

4

01252-71060

Bolt, Hexagon Socket Head

SN: 70291-UP

4шт.

5

419-62-48640

Elbow

SN: 70291-UP

1шт.

6

02782-10313

Elbow

SN: 70291-UP

1шт.

7

07002-11823

O-ring

SN: 70291-UP

1шт.

8

02896-11009

O-ring

SN: 70291-UP

1шт.

9

07002-12434

O-ring

SN: 70291-UP

1шт.

10

02896-11015

O-ring

SN: 70291-UP

1шт.

11

419-62-48293

Tube

SN: 70291-UP

1шт.

12

01010-81035

Bolt

SN: 70291-UP

4шт.

13

01643-31032

Washer

SN: 70291-UP

4шт.

14

01010-81065

Bolt

SN: 70291-UP

4шт.

15

01643-31032

Washer

SN: 70291-UP

4шт.

16

07000-13050

O-ring

SN: 70291-UP

1шт.

17

07000-13035

O-ring

SN: 70291-UP

1шт.

18

22J-62-25121

Elbow

SN: 70291-UP

1шт.

19

02896-11008

O-ring

SN: 70291-UP

1шт.

20

07002-11423

O-ring

SN: 70291-UP

1шт.

21

02896-11009

O-ring

SN: 70291-UP

3шт.

22

419-62-31640

Valve Assembly

SN: 70291-UP

1шт.

23

04065-04218

Ring, Snap

SN: 70291-UP

1шт.

24

419-62-48630

Hose

SN: 70291-UP

1шт.

25

02781-00628

Union

SN: 70291-UP

1шт.

26

07002-12434

O-ring

SN: 70291-UP

1шт.

27

02896-11018

O-ring

SN: 70291-UP

1шт.

28

02782-10628

Elbow

SN: 70291-UP

1шт.

29

07002-12434

O-ring

SN: 70291-UP

1шт.

30

02896-11018

O-ring

SN: 70291-UP

1шт.

31

01010-81240

Bolt

SN: 70291-UP

3шт.

32

01643-31232

Washer

SN: 70291-UP

3шт.

Выбрано товаров: 32