Запчасти Komatsu WA320-6 КЛАПАН УПРАВЛЕНИЯ ПОВОРОТОМ, ДРЕНАЖН. ТРУБЫ (№79-) КЛАПАН УПРАВЛЕНИЯ ПОВОРОТОМ, С ЭКСТРЕНН. УПРАВЛ.

Схема запчастей Komatsu WA320-6 - КЛАПАН УПРАВЛЕНИЯ ПОВОРОТОМ, ДРЕНАЖН. ТРУБЫ (№79-) КЛАПАН УПРАВЛЕНИЯ ПОВОРОТОМ, С ЭКСТРЕНН. УПРАВЛ.
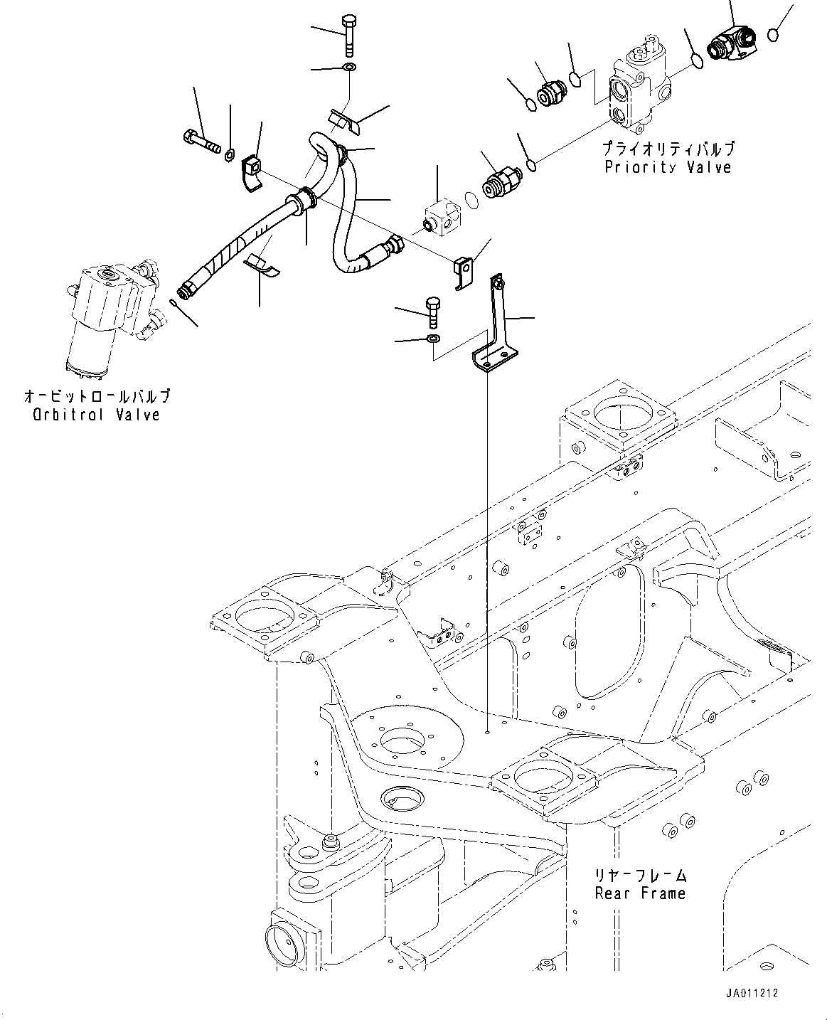
9
11
11
12
12
7
1
2
4
8
4
2
3
5
10
9
6
10
9
15
14
9
13
16
FIT
1:1
100%

Артикул

Название

Примечание

Количество

1

418-62-32172

Nipple

SN: 70291-UP

1шт.

2

418-62-11630

O-ring

SN: 70291-UP

2шт.

3

419-62-31542

Elbow

SN: 70291-UP

1шт.

4

11Y-62-11980

O-ring

SN: 70291-UP

2шт.

5

419-62-48312

Hose

SN: 70291-UP

1шт.

6

02896-11015

O-ring

SN: 70291-UP

1шт.

7

419-62-31840

Valve, Check

SN: 70291-UP

1шт.

8

418-62-11620

O-ring

SN: 70291-UP

1шт.

9

07094-10518

Clamp

SN: 70291-UP

4шт.

10

07095-00523

Cushion

SN: 70291-UP

2шт.

11

01010-81270

Bolt

SN: 70291-UP

2шт.

12

01643-31232

Washer

SN: 70291-UP

2шт.

13

419-62-41170

Bracket

SN: 70291-UP

1шт.

14

01010-81025

Bolt

SN: 70291-UP

2шт.

15

01643-31032

Washer

SN: 70291-UP

2шт.

16

419-62-31930

Joint

SN: UP

-1шт.

|$16

419-62-31930

Joint

SN: UP

-1шт.

Выбрано товаров: 17