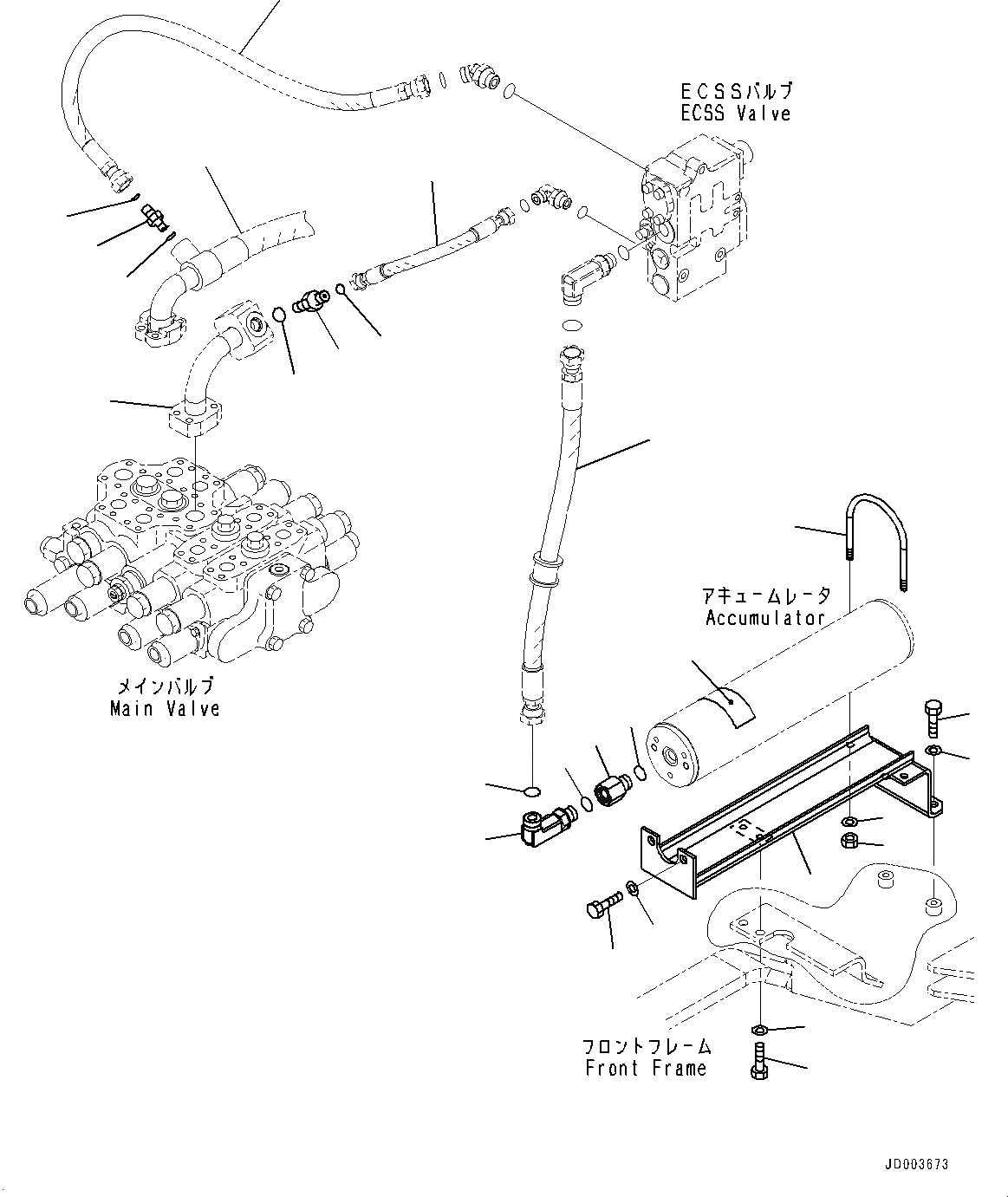
Запчасти Komatsu WA320-6 ГИДРОЛИНИЯ, АККУМУЛЯТОР КРЕПЛЕНИЕ (№79-) ГИДРОЛИНИЯ, ДЛЯ 4-Х СЕКЦИОНН. КЛАПАН ARRANGEMENT, С ЭЛЕКТРОНН. УПРАВЛ-ЕLED ПОДВЕСКА СИСТЕМА (ECSS)

Схема запчастей Komatsu WA320-6 - ГИДРОЛИНИЯ, АККУМУЛЯТОР КРЕПЛЕНИЕ (№79-) ГИДРОЛИНИЯ, ДЛЯ 4-Х СЕКЦИОНН. КЛАПАН ARRANGEMENT, С ЭЛЕКТРОНН. УПРАВЛ-ЕLED ПОДВЕСКА СИСТЕМА (ECSS)
8
7
1
2
3
5
4
6
7
8
9
10
11
12
13
14
15
16
17
18
19
20
21
22
23
25
24
FIT
1:1
100%

Артикул

Название

Примечание

Количество

1

01010-81230

Bolt

SN: 70291-UP

2шт.

2

01643-31232

Washer

SN: 70291-UP

2шт.

3

421-S99-3132

Clip

SN: 70291-UP

1шт.

4

01643-31032

Washer

SN: 70291-UP

2шт.

5

01596-01009

Nut, Flanged

SN: 70291-UP

2шт.

6

419-S99-3830

Bracket

SN: 70291-UP

1шт.

7

01010-81225

Bolt

SN: 70291-UP

4шт.

8

01643-31232

Washer

SN: 70291-UP

4шт.

9

419-62-33871

Adapter

SN: 70291-UP

1шт.

10

07002-12434

O-ring

SN: 70291-UP

1шт.

11

02782-10630

Elbow

SN: 70291-UP

1шт.

12

07002-12434

O-ring

SN: 70291-UP

1шт.

13

02896-11018

O-ring

SN: 70291-UP

1шт.

14

09659-A057B

Plate, Warning, Explosion Hazard

SN: 70291-UP

1шт.

15

02781-00422

Union

SN: 70291-UP

1шт.

16

07002-12034

O-ring

SN: 70291-UP

1шт.

17

02896-11012

O-ring

SN: 70291-UP

1шт.

18

02782-10522

Elbow

SN: 70291-UP

1шт.

19

07002-12434

O-ring

SN: 70291-UP

1шт.

20

02896-11015

O-ring

SN: 70291-UP

1шт.

21

419-62-43590

Hose

SN: UP

-1шт.

22

419-62-48381

Hose

SN: UP

-1шт.

|$22

419-62-48381

Hose

SN: UP

-1шт.

23

419-62-34440

Hose

SN: UP

-1шт.

24

419-62-34133

Tube

SN: UP

-1шт.

25

02753-00608

Hose, Face Seal Type

SN: UP

-1шт.

Выбрано товаров: 26