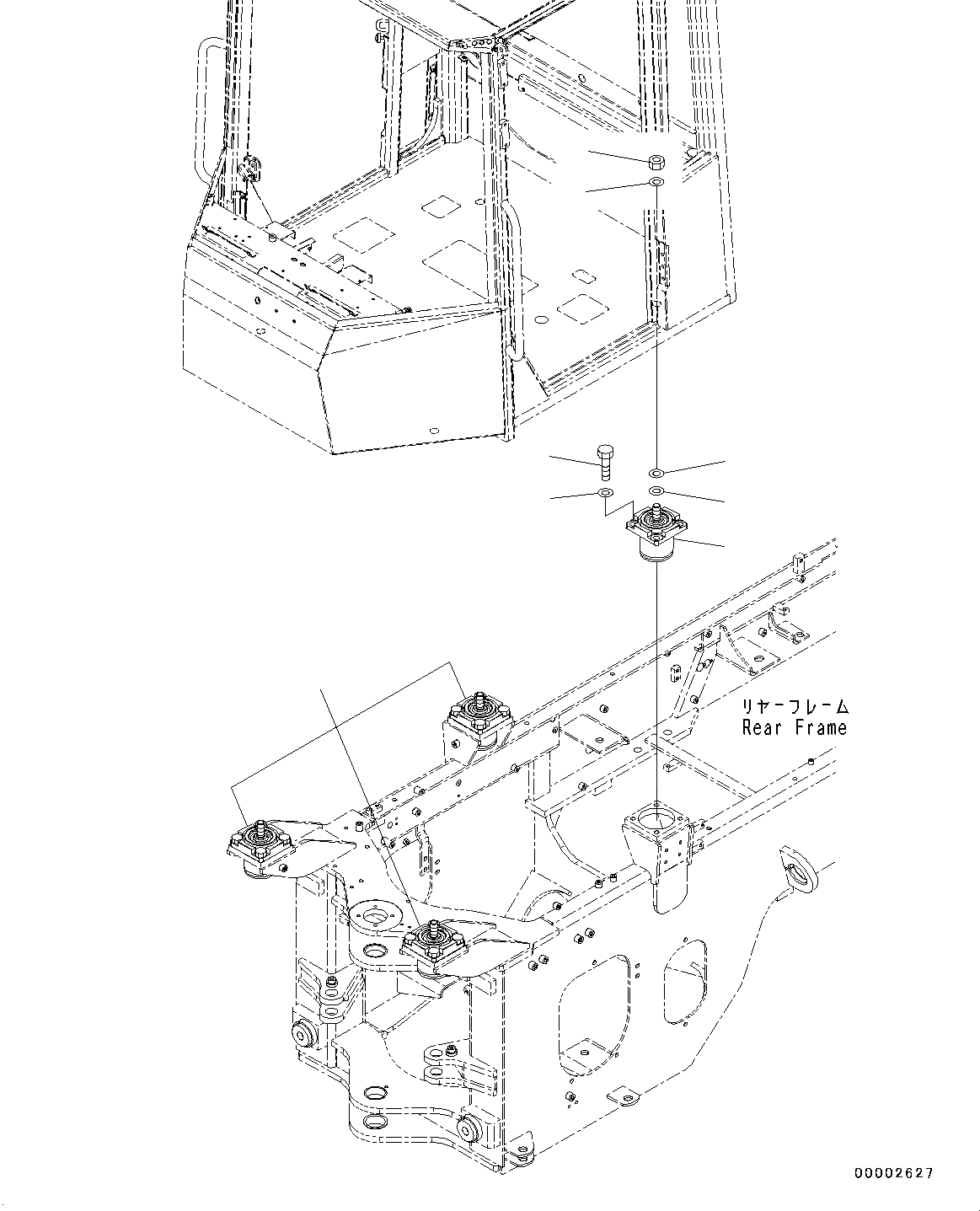
Запчасти Komatsu WA320-6 КРЕПЛЕНИЕ ОСН. КОНСТРУКЦИИING (№79-) КРЕПЛЕНИЕ ОСН. КОНСТРУКЦИИING

Схема запчастей Komatsu WA320-6 - КРЕПЛЕНИЕ ОСН. КОНСТРУКЦИИING (№79-) КРЕПЛЕНИЕ ОСН. КОНСТРУКЦИИING
1
2
6
3
2
4
5
1
FIT
1:1
100%

Артикул

Название

Примечание

Количество

1

418-54-33111

Viscous Mount

SN: 71263-UP

4шт.

1

418-54-33110

Viscous Mount

SN: 70291-71262

4шт.

2

01643-32460

Washer

SN: 70291-UP

8шт.

3

01596-02419

Nut, Flanged

SN: 70291-UP

4шт.

4

01010-81845

Bolt

SN: 70291-UP

16шт.

5

01643-31845

Washer

SN: 70291-UP

16шт.

6

561-40-41210

Shim, T=1.2mm

SN: 70291-UP

4шт.

Выбрано товаров: 7