Запчасти Komatsu WA320-6 КАПОТ, ПРЕФИЛЬТР (№79-) КАПОТ, ДЛЯ TURBO ТИП ПРЕФИЛЬТР, ЗАДН. КРЫЛО

Схема запчастей Komatsu WA320-6 - КАПОТ, ПРЕФИЛЬТР (№79-) КАПОТ, ДЛЯ TURBO ТИП ПРЕФИЛЬТР, ЗАДН. КРЫЛО
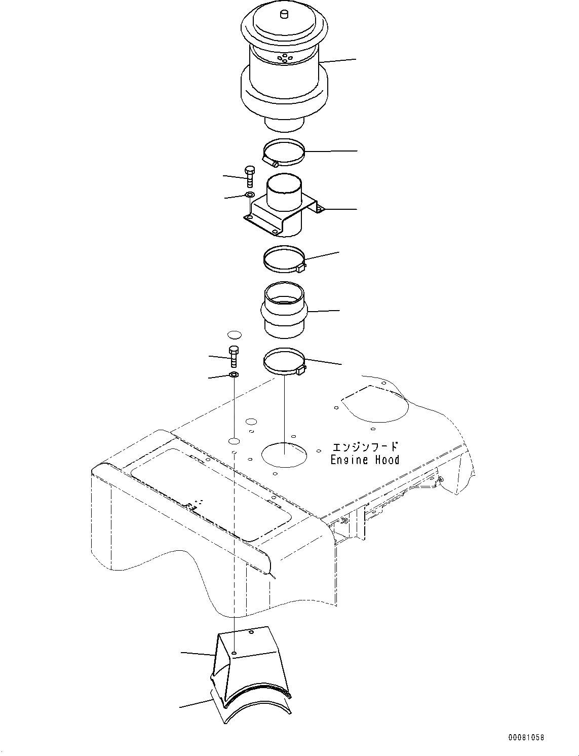
9
8
3
3
1
2
11
7
6
4
5
10
FIT
1:1
100%

Артикул

Название

Примечание

Количество

1

01010-81225

Bolt

SN: 70291-UP

4шт.

2

01643-31232

Washer

SN: 70291-UP

4шт.

3

07299-00145

Clamp

SN: 70291-UP

2шт.

4

419-54-48303

Bracket

SN: 70291-UP

1шт.

5

419-54-49250

Felt

SN: 70291-UP

1шт.

6

01010-81250

Bolt

SN: 70291-UP

2шт.

7

01643-31232

Washer

SN: 70291-UP

2шт.

8

419-54-48311

Bracket

SN: 70291-UP

1шт.

9

600-181-0610

Hose

SN: 70291-UP

1шт.

10

419-00-H0770

Pre-cleaner Assembly

SN: 70291-UP

1шт.

11

07289-00130

Clamp, Hose

SN: 70291-UP

1шт.

Выбрано товаров: 11