Запчасти Komatsu WA320-6 РУКОЯТЬ И BELL CRANK, КОНЦЕВ. ВЫКЛЮЧ-ЛЬ ПОДЪЕМА СТРЕЛЫ (№79-797) РУКОЯТЬ И BELL CRANK, ДЛЯ 2-Х СЕКЦИОНН. КЛАПАН ARRANGEMENT

Схема запчастей Komatsu WA320-6 - РУКОЯТЬ И BELL CRANK, КОНЦЕВ. ВЫКЛЮЧ-ЛЬ ПОДЪЕМА СТРЕЛЫ (№79-797) РУКОЯТЬ И BELL CRANK, ДЛЯ 2-Х СЕКЦИОНН. КЛАПАН ARRANGEMENT
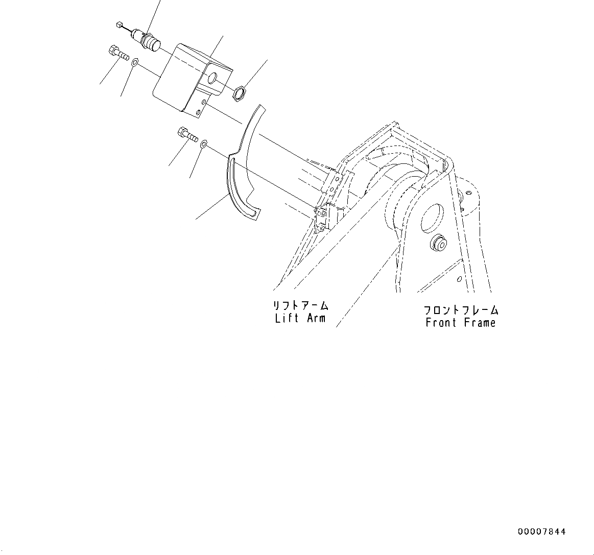
1
7
4
6
5
3
2
7
FIT
1:1
100%

Артикул

Название

Примечание

Количество

1

419-43-39111

Plate

SN: 70291-70497

1шт.

2

01010-81225

Bolt

SN: 70291-70497

2шт.

3

01643-31232

Washer

SN: 70291-70497

2шт.

4

419-43-39123

Bracket

SN: 70341-70497

1шт.

4

419-43-39122

Bracket

SN: 70291-70497

1шт.

5

01010-81225

Bolt

SN: 70291-70497

2шт.

6

01643-31232

Washer

SN: 70291-70497

2шт.

7

56B-06-15610

Switch

SN: 70291-70497

1шт.

Выбрано товаров: 8