Запчасти Komatsu WA320-6 HYDROSTATIC ТРАНСМИССИЯ (HST) МАСЛОПРОВОДЯЩАЯ ЛИНИЯ, ДРЕНАЖН. ТРУБЫ (№79-) HYDROSTATIC ТРАНСМИССИЯ (HST) МАСЛОПРОВОДЯЩАЯ ЛИНИЯ, ДЛЯ MACHINE С ЭКСТРЕНН. УПРАВЛ.

Схема запчастей Komatsu WA320-6 - HYDROSTATIC ТРАНСМИССИЯ (HST) МАСЛОПРОВОДЯЩАЯ ЛИНИЯ, ДРЕНАЖН. ТРУБЫ (№79-) HYDROSTATIC ТРАНСМИССИЯ (HST) МАСЛОПРОВОДЯЩАЯ ЛИНИЯ, ДЛЯ MACHINE С ЭКСТРЕНН. УПРАВЛ.
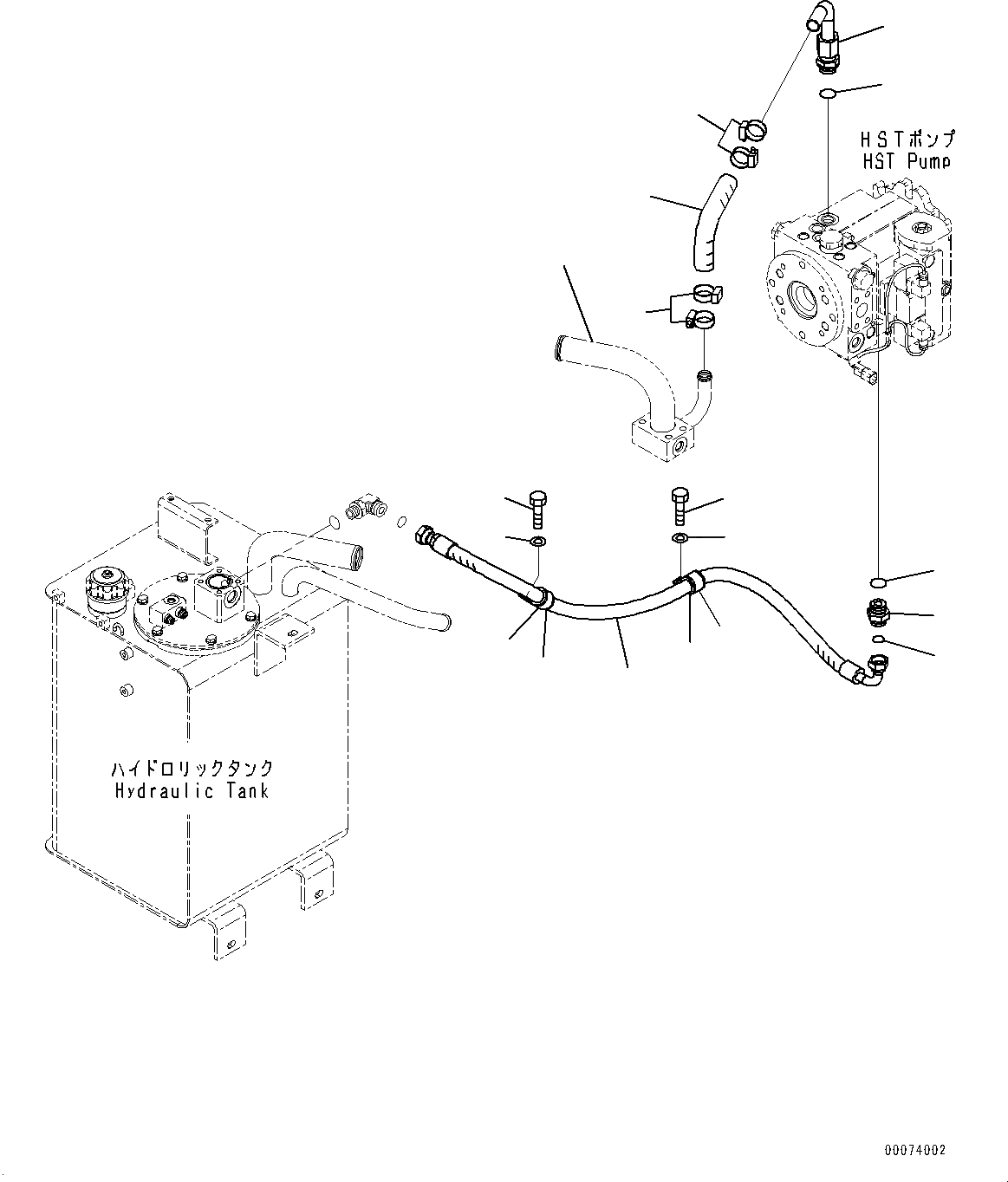
9
12
12
7
5
2
1
4
3
4
6
8
10
10
9
11
11
13
FIT
1:1
100%

Артикул

Название

Примечание

Количество

1

419-18-31113

Elbow

SN: 70291-UP

1шт.

2

07000-13029

O-ring

SN: 70291-UP

1шт.

3

419-18-31141

Hose

SN: 70291-UP

1шт.

4

07289-00045

Clamp

SN: 70291-UP

4шт.

5

419-18-31411

Hose

SN: 70291-UP

1шт.

6

419-18-31381

Nipple

SN: 70291-UP

1шт.

7

07000-13029

O-ring

SN: 70291-UP

1шт.

8

02896-11018

O-ring

SN: 70291-UP

1шт.

9

04434-53412

Clip

SN: 70291-UP

2шт.

10

07095-20627

Cushion

SN: 70291-UP

2шт.

11

01010-81020

Bolt

SN: 70291-UP

2шт.

12

01643-31032

Washer

SN: 70291-UP

2шт.

13

419-62-48351

Tube

SN: UP

-1шт.

Выбрано товаров: 0