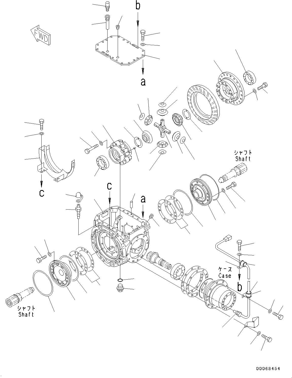
Запчасти Komatsu WA320-6 ПЕРЕДНИЙ МОСТ, ДИФФЕРЕНЦ. (/) (№79-) ПЕРЕДНИЙ МОСТ, БЕЗ САМОБЛОКИР. ДИФФЕРЕНЦ.

Схема запчастей Komatsu WA320-6 - ПЕРЕДНИЙ МОСТ, ДИФФЕРЕНЦ. (/) (№79-) ПЕРЕДНИЙ МОСТ, БЕЗ САМОБЛОКИР. ДИФФЕРЕНЦ.
23
7
9
35
1
21
22
19
12
11
7
9
8
10
2
4
3
7
5
9
20
6
7
9
8
10
35
13
18
17
39
38
40
34
37
36
15
14
16
36
37
34
40
39
38
32
24
25
27
28
29
31
33
33
21
22
26
41
43
42
30
30
FIT
1:1
100%

Артикул

Название

Примечание

Количество

|$0

419-22-30010

Axle Assembly

SN: 70291-UP

1шт.

|$1

419-22-31010

Differential Assembly

SN: 70291-UP

1шт.

|$2

419-22-31501

Case Assembly

SN: 70291-UP

1шт.

1

Case

SN: 70291-UP

1шт.

2

Case

SN: 70291-UP

1шт.

3

01010-61295

Bolt

SN: 70291-UP

12шт.

4

01643-31232

Washer

SN: 70291-UP

12шт.

5

175-21-12180

Pin

SN: 70291-UP

4шт.

6

418-22-31410

Spider

SN: 70291-UP

1шт.

7

419-22-11421

Pinion

SN: 70291-UP

4шт.

8

419-22-21430

Gear

SN: 70291-UP

2шт.

9

418-22-31550

Washer

SN: 70291-UP

4шт.

10

419-22-11631

Washer

SN: 70291-UP

2шт.

11

01010-61240

Bolt

SN: 70291-UP

20шт.

12

01643-31232

Washer

SN: 70291-UP

20шт.

13

419-22-33611

Housing

SN: 70291-UP

1шт.

14

07044-13620

Plug

SN: 70291-UP

1шт.

15

07002-13634

O-ring

SN: 70291-UP

1шт.

16

07043-70211

Plug

SN: 70291-UP

2шт.

17

419-33-11460

Bleeder

SN: 70291-UP

2шт.

18

566-32-11620

Cap

SN: 70291-UP

2шт.

19

419-22-33621

Cover

SN: 70291-UP

1шт.

20

04020-01228

Pin, Dowel

SN: 70291-UP

2шт.

21

01010-61240

Bolt

SN: 70291-UP

20шт.

22

01643-31232

Washer

SN: 70291-UP

20шт.

23

419-22-33921

Connector

SN: 70291-UP

1шт.

24

07030-01030

Breather

SN: 70291-UP

1шт.

25

07043-70415

Plug

SN: 70291-UP

1шт.

26

426-06-31120

Sensor, Oil Temperature

SN: 70291-UP

1шт.

27

01010-61225

Bolt

SN: 70291-UP

2шт.

28

01643-31232

Washer

SN: 70291-UP

2шт.

29

419-22-33812

Cover

SN: 70291-UP

1шт.

30

04434-51612

Clip

SN: 70291-UP

2шт.

31

01010-61225

Bolt

SN: 70291-UP

1шт.

32

01643-31232

Washer

SN: 70291-UP

1шт.

33

07095-20211

Cushion

SN: 70291-UP

2шт.

34

419-22-21861

Carrier

SN: 70291-UP

2шт.

35

419-22-11850

Bearing

SN: 70291-UP

2шт.

36

419-22-21760

Shim, T=0.05mm

SN: 70291-UP

6шт.

36

419-22-21770

Shim, T=0.2mm

SN: 70291-UP

3шт.

36

419-22-21780

Shim, T=0.3mm

SN: 70291-UP

3шт.

36

419-22-21790

Shim, T=0.8mm

SN: 70291-UP

2шт.

37

418-33-21430

Ring

SN: 70291-UP

2шт.

38

01010-61240

Bolt

SN: 70291-UP

16шт.

39

01643-31232

Washer

SN: 70291-UP

16шт.

40

419-33-21710

Seal

SN: 70291-UP

2шт.

41

419-22-31710

Cover

SN: 70291-UP

1шт.

42

01010-61225

Bolt

SN: 70291-UP

4шт.

43

01643-31232

Washer

SN: 70291-UP

4шт.

Выбрано товаров: 49