Качественные детали и логистика
Оригинальные и аналоговые запчасти с доставкой по России, Казахстану и Беларуси
©2022 PartSell ООО "Система" ИНН 2463123282 ОГРН 1212400004838
Центральный офис: г. Красноярск, Академика Киренского, д.87, пом.4
Телефон: 8 (800) 777-65-74 Email: zakaz@partsell.ru
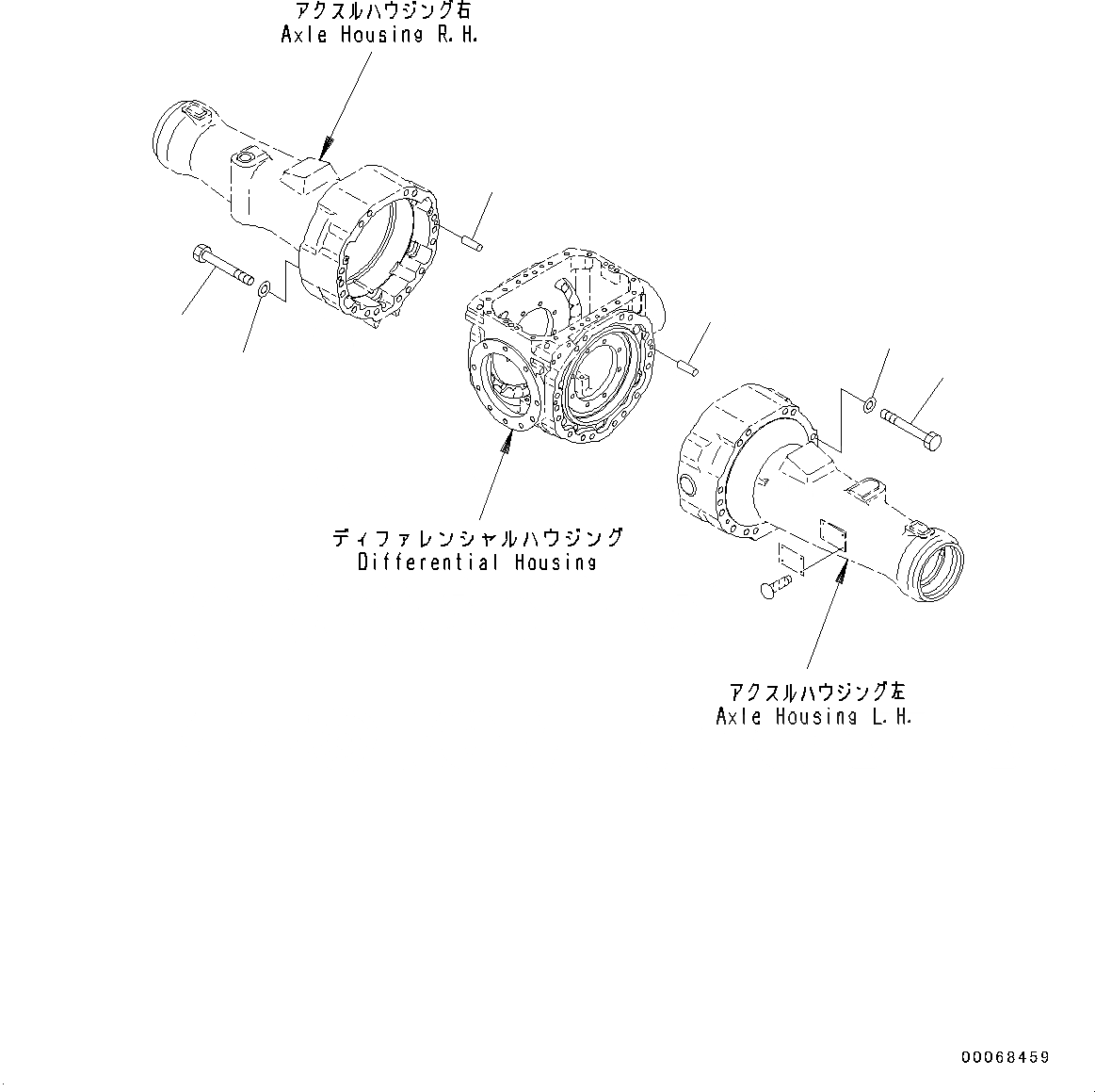
ЗАДН. МОСТ, КОЖУХ КРЕПЛЕНИЕ (№79-)
№
Артикул
Название
Примечание
Количество
|$0
419-23-30050
Axle Assembly
SN: 70291-UP
1шт.
1
04020-01228
Pin, Dowel
4шт.
2
01011-61675
Bolt
32шт.
3
01643-31645
Washer
Выбрано товаров: 0