Запчасти Komatsu WA320-6 ГИДРАВЛ УПРАВЛЯЮЩ. КЛАПАН, -КЛАПАН (/) (№79-) ГИДРАВЛ УПРАВЛЯЮЩ. КЛАПАН, 4-Х СЕКЦИОНН. КЛАПАН ARRANGEMENT

Схема запчастей Komatsu WA320-6 - ГИДРАВЛ УПРАВЛЯЮЩ. КЛАПАН, -КЛАПАН (/) (№79-) ГИДРАВЛ УПРАВЛЯЮЩ. КЛАПАН, 4-Х СЕКЦИОНН. КЛАПАН ARRANGEMENT
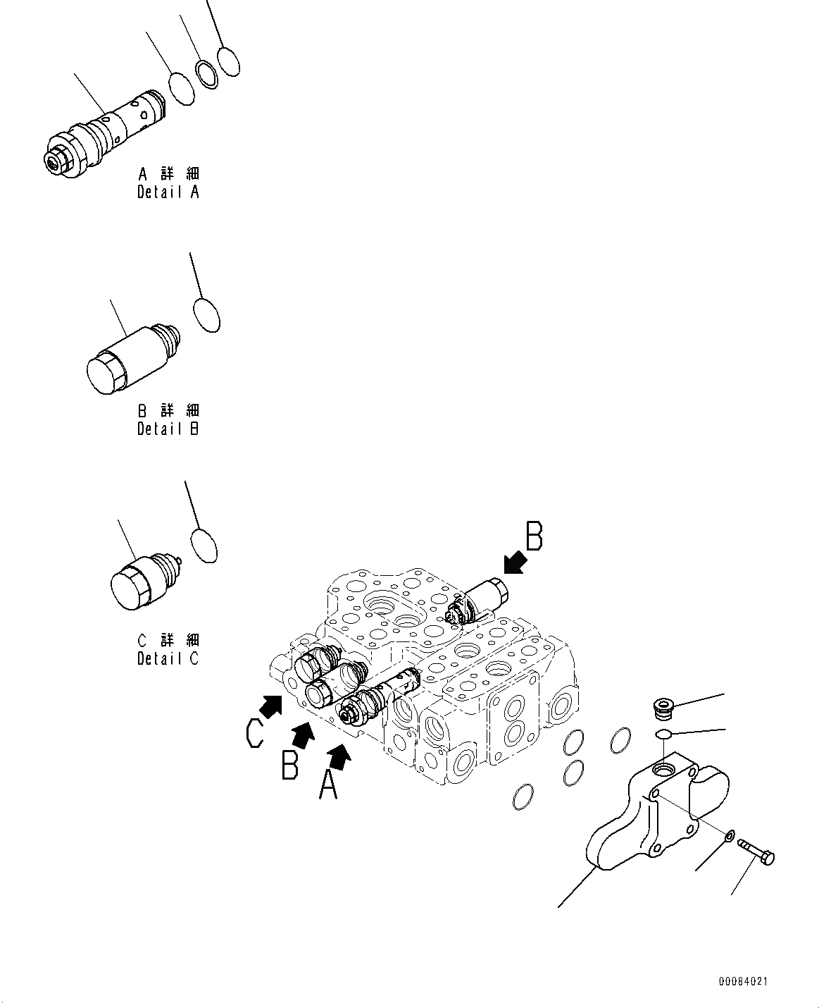
13
12
2
3
1
10
11
7
4
9
8
5
6
FIT
1:1
100%

Артикул

Название

Примечание

Количество

|$0

709-94-12700

Valve Assembly, Control

SN: 70291-UP

1шт.

1

700-92-11870

Cover

SN: 70291-UP

1шт.

2

723-26-15230

Plug

SN: 70291-UP

1шт.

3

07002-12434

O-ring

SN: 70291-UP

1шт.

4

709-90-54501

Valve Assembly, Relief

SN: 70291-UP

1шт.

5

700-93-11320

O-ring

SN: 70291-UP

1шт.

6

700-93-11330

Ring, Back-up

SN: 70291-UP

1шт.

7

07002-13634

O-ring

SN: 70291-UP

1шт.

8

709-10-62101

Valve Assembly

SN: 70291-UP

2шт.

9

07002-03634

O-ring

SN: 70291-UP

1шт.

10

723-60-23800

Valve Assembly, Suction

SN: 70291-UP

1шт.

11

07002-13634

O-ring

SN: 70291-UP

1шт.

12

709-90-91310

Bolt

SN: 70291-UP

4шт.

13

01643-51232

Washer

SN: 70291-UP

4шт.

Выбрано товаров: 14