Запчасти Komatsu WA320-6 ТОПЛИВН. БАК., КРЕПЛЕНИЕ ВОДООТДЕЛИТЕЛЯ (№7-) ТОПЛИВН. БАК., С EXTRA BAD ТОПЛИВН. И ПЛОХ. ТОПЛИВО СПЕЦ-ЯIFICATION, ВОДН.+DUST, ДОПОЛН. ФИЛЬТР.

Схема запчастей Komatsu WA320-6 - ТОПЛИВН. БАК., КРЕПЛЕНИЕ ВОДООТДЕЛИТЕЛЯ (№7-) ТОПЛИВН. БАК., С EXTRA BAD ТОПЛИВН. И ПЛОХ. ТОПЛИВО СПЕЦ-ЯIFICATION, ВОДН.+DUST, ДОПОЛН. ФИЛЬТР.
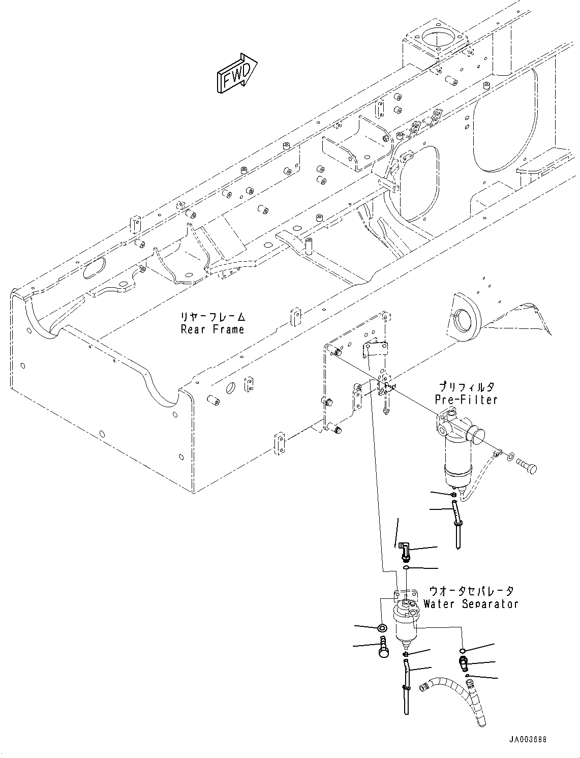
1
2
3
7
8
4
5
6
7
8
6
5
FIT
1:1
100%

Артикул

Название

Примечание

Количество

1

01010-81030

Bolt

SN: 70305-UP

2шт.

2

01643-31032

Washer

SN: 70305-UP

2шт.

3

02782-10314

Elbow

SN: 70305-UP

1шт.

4

02782-10313

Elbow

SN: 70305-UP

1шт.

5

07002-11823

O-ring

SN: 70305-UP

2шт.

6

02896-11009

O-ring

SN: 70305-UP

2шт.

7

07270-00820

Tube

SN: 70305-UP

2шт.

8

07285-00115

Clip

SN: 70305-UP

2шт.

Выбрано товаров: 8