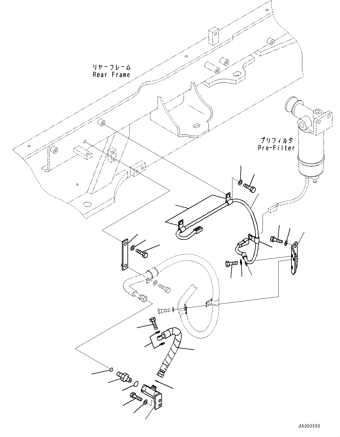
Запчасти Komatsu WA320-6 ТОПЛИВН. БАК., ТОПЛИВОПРОВОД. (/) (№7-) ТОПЛИВН. БАК., С EXTRA BAD ТОПЛИВН. И ПЛОХ. ТОПЛИВО СПЕЦ-ЯIFICATION, ВОДН.+DUST, ДОПОЛН. ФИЛЬТР.

Схема запчастей Komatsu WA320-6 - ТОПЛИВН. БАК., ТОПЛИВОПРОВОД. (/) (№7-) ТОПЛИВН. БАК., С EXTRA BAD ТОПЛИВН. И ПЛОХ. ТОПЛИВО СПЕЦ-ЯIFICATION, ВОДН.+DUST, ДОПОЛН. ФИЛЬТР.
2
3
1
6
7
5
5
7
6
8
10
9
13
12
15
14
18
16
17
20
19
5
4
11
FIT
1:1
100%

Артикул

Название

Примечание

Количество

1

419-Z13-4270

Plate

SN: 70305-UP

1шт.

2

01010-81025

Bolt

SN: 70305-UP

2шт.

3

01643-31032

Washer

SN: 70305-UP

2шт.

4

419-Z13-4140

Wiring Harness

SN: 70305-UP

1шт.

5

04434-51012

Clip

SN: 70305-UP

4шт.

6

01010-81020

Bolt

SN: 70305-UP

4шт.

7

01643-31032

Washer

SN: 70305-UP

4шт.

8

417-875-2520

Plate

SN: 70305-UP

1шт.

9

01010-81025

Bolt

SN: 70305-UP

1шт.

10

01643-31032

Washer

SN: 70305-UP

1шт.

11

02896-11009

O-ring

SN: 70305-UP

1шт.

12

419-Z13-4130

Hose

SN: 70305-UP

1шт.

13

02896-11009

O-ring

SN: 70305-UP

1шт.

14

07206-30812

Bolt, Joint

SN: 70305-UP

1шт.

15

07005-01212

Seal, Washer

SN: 70305-UP

2шт.

16

419-Z13-4190

Adapter

SN: 70305-UP

1шт.

17

01010-80825

Bolt

SN: 70305-UP

2шт.

18

01643-30823

Washer

SN: 70305-UP

2шт.

19

02781-00315

Union

SN: 70305-UP

1шт.

20

07002-12034

O-ring

SN: 70305-UP

1шт.

Выбрано товаров: 20