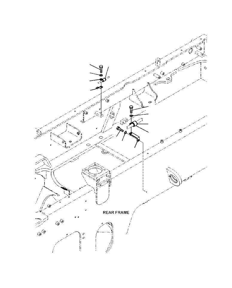
Запчасти Komatsu WA320-6 E-A ЗАДН. Э/ПРОВОДКА Э/ПРОВОДКА ДВИГАТЕЛЯ КРЕПЛЕНИЕ ЭЛЕКТРИКА

Схема запчастей Komatsu WA320-6 - E-A ЗАДН. Э/ПРОВОДКА Э/ПРОВОДКА ДВИГАТЕЛЯ КРЕПЛЕНИЕ ЭЛЕКТРИКА
9
7
10
6
8
4
5
3
2
4
5
1
FIT
1:1
100%

Артикул

Название

Примечание

Количество

1

23S-44-14540

PLATE

SN: A34001--UP

1шт.

2

04434-53212

CLIP

SN: A34001--UP

1шт.

3

07095-20523

CUSHION

SN: A34001--UP

1шт.

4

01010-81025

BOLT

SN: A34001--UP

2шт.

5

01643-31032

WASHER

SN: A34001--UP

2шт.

6

04434-51612

CLIP

SN: A34001--UP

1шт.

7

07095-20211

CUSHION

SN: A34001--UP

1шт.

8

08193-21012

CLIP

SN: A34001--UP

1шт.

9

01010-81020

BOLT

SN: A34001--UP

1шт.

10

01643-31032

WASHER

SN: A34001--UP

1шт.

Выбрано товаров: 10