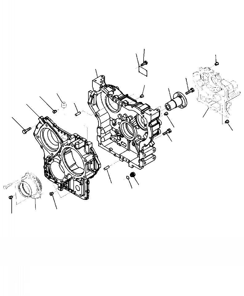
Запчасти Komatsu WA320-6 F-A КОРПУС ПЕРЕДАЧИ СИЛОВАЯ ПЕРЕДАЧА И КОНЕЧНАЯ ПЕРЕДАЧА

Схема запчастей Komatsu WA320-6 - F-A КОРПУС ПЕРЕДАЧИ СИЛОВАЯ ПЕРЕДАЧА И КОНЕЧНАЯ ПЕРЕДАЧА
11
10
12
2
5
12
4
9
12
14
1
3
16
6
13
3
14
7
8
12
15
12
FIT
1:1
100%

Артикул

Название

Примечание

Количество

|$0

419-17-40000

TRANSFER ASSEMBLY

SN: A34001--UP

1шт.

|$1

419-17-31104

CASE ASSEMBLY

SN: A34001--UP

1шт.

1

419-17-31114

CASE, FRONT

SN: A34001--UP

1шт.

2

419-17-31123

CASE, REAR

SN: A34001--UP

1шт.

3

01010-81235

BOLT

SN: A34001--UP

22шт.

4

418-17-32811

SHAFT

SN: A34001--UP

1шт.

5

01010-81235

BOLT

SN: A34001--UP

3шт.

6

07043-A0211

PLUG

SN: A34001--UP

2шт.

7

07044-12412

PLUG

SN: A34001--UP

1шт.

8

07002-12434

O-RING

SN: A34001--UP

1шт.

9

07030-00252

BREATHER

SN: A34001--UP

1шт.

10

NSS

PLATE, NAME

SN: A34001--UP

1шт.

11

04418-03060

SCREW

SN: A34001--UP

4шт.

12

07049-01215

PLUG

SN: A34001--UP

10шт.

13

07049-01620

PLUG

SN: A34001--UP

1шт.

14

04020-01228

PIN, DOWEL

SN: A34001--UP

2шт.

15

CAGE (SEE FIG. F2420-54A0 )

SN: A34001--UP

-1шт.

16

HOUSING (SEE FIG. F2420-55A0 )

SN: A34001--UP

-1шт.

Выбрано товаров: 18