Запчасти Komatsu WA320-6 F7-A HST МАСЛ. ЛИНИЯ НАСОС ВОЗВРАТН. ЛИНИЯ СИЛОВАЯ ПЕРЕДАЧА И КОНЕЧНАЯ ПЕРЕДАЧА

Схема запчастей Komatsu WA320-6 - F7-A HST МАСЛ. ЛИНИЯ НАСОС ВОЗВРАТН. ЛИНИЯ СИЛОВАЯ ПЕРЕДАЧА И КОНЕЧНАЯ ПЕРЕДАЧА
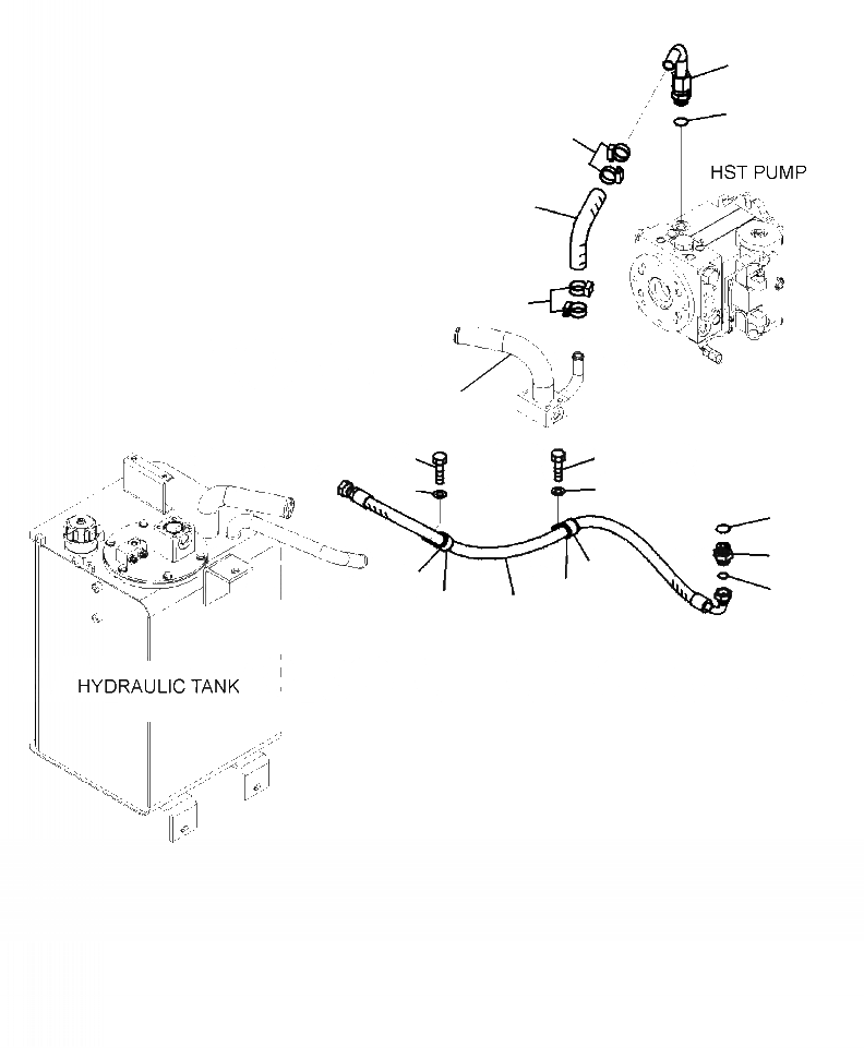
1
2
4
3
4
13
11
11
12
12
7
6
9
9
8
10
10
5
FIT
1:1
100%

Артикул

Название

Примечание

Количество

1

419-18-31113

ELBOW

SN: A34001--UP

1шт.

2

07000-13029

O-RING

SN: A34001--UP

1шт.

3

419-18-31141

HOSE

SN: A34001--UP

1шт.

4

07289-00045

CLAMP

SN: A34001--UP

4шт.

5

419-18-31411

HOSE

SN: A34001--UP

1шт.

6

419-18-31381

NIPPLE

SN: A34001--UP

1шт.

7

07000-13029

O-RING

SN: A34001--UP

1шт.

8

02896-11018

O-RING

SN: A34001--UP

1шт.

9

04434-53412

CLIP

SN: A34001--UP

2шт.

10

07095-20627

CUSHION

SN: A34001--UP

2шт.

11

01010-81020

BOLT

SN: A34001--UP

2шт.

12

01643-31032

WASHER

SN: A34001--UP

2шт.

13

TUBE (SEE FIG. H0210-01A0 )

SN: A34001--UP

-1шт.

Выбрано товаров: 13