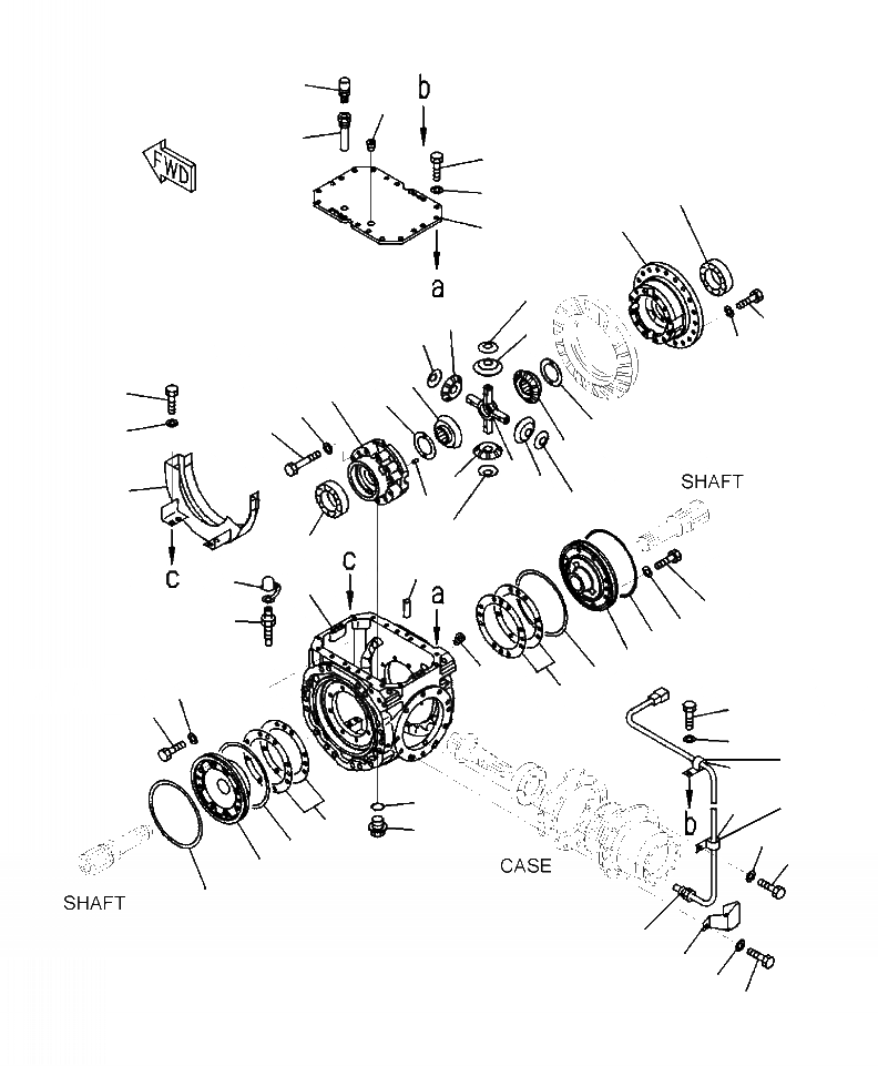
Запчасти Komatsu WA320-6 F-AA ПЕРЕДНИЙ МОСТ ДИФФЕРЕНЦ. (/) СИЛОВАЯ ПЕРЕДАЧА И КОНЕЧНАЯ ПЕРЕДАЧА

Схема запчастей Komatsu WA320-6 - F-AA ПЕРЕДНИЙ МОСТ ДИФФЕРЕНЦ. (/) СИЛОВАЯ ПЕРЕДАЧА И КОНЕЧНАЯ ПЕРЕДАЧА
24
25
23
21
35
22
1
19
9
7
11
7
9
12
8
42
2
10
4
3
43
10
8
6
7
7
41
9
5
9
35
20
18
13
38
17
39
40
34
37
16
39
36
38
21
22
33
30
33
30
15
32
14
36
31
37
34
40
26
29
28
27
FIT
1:1
100%

Артикул

Название

Примечание

Количество

|$0

AXLE ASSEMBLY, FRONT (SEE FIG. F4400-51A0A )

SN: A34001--UP

-1шт.

|$1

DIFFERENTIAL ASSEMBLY (SEE FIG. F4400-53A0A )

SN: A34001--UP

-1шт.

|$2

419-22-31501

CASE ASSEMBLY

SN: A34001--UP

1шт.

1

419-22-31511

CASE

SN: A34001--UP

1шт.

2

419-22-31521

CASE

SN: A34001--UP

1шт.

3

01010-E1295

BOLT

SN: A34001--UP

12шт.

4

01643-31232

WASHER

SN: A34001--UP

12шт.

5

175-21-12180

PIN

SN: A34001--UP

4шт.

6

418-22-31410

SPIDER

SN: A34001--UP

1шт.

7

419-22-11421

PINION, SIDE

SN: A34001--UP

4шт.

8

419-22-21430

GEAR

SN: A34001--UP

2шт.

9

418-22-31550

WASHER

SN: A34001--UP

4шт.

10

419-22-11631

WASHER

SN: A34001--UP

2шт.

11

01010-E1240

BOLT

SN: A34001--UP

20шт.

12

01643-31232

WASHER

SN: A34001--UP

20шт.

13

419-22-33611

HOUSING

SN: A34001--UP

1шт.

14

07044-13620

PLUG, DRAIN

SN: A34001--UP

1шт.

15

07002-13634

O-RING

SN: A34001--UP

1шт.

16

07043-70211

PLUG

SN: A34001--UP

2шт.

17

419-33-11460

BLEEDER

SN: A34001--UP

2шт.

18

566-32-11620

CAP

SN: A34001--UP

2шт.

19

419-22-33621

COVER

SN: A34001--UP

1шт.

20

04020-01228

PIN, DOWEL

SN: A34001--UP

2шт.

21

01010-61240

BOLT

SN: A34001--UP

20шт.

22

01643-31232

WASHER

SN: A34001--UP

20шт.

23

419-22-33921

CONNECTOR

SN: A34001--UP

1шт.

24

07030-01030

BREATHER

SN: A34001--UP

1шт.

25

07043-70415

PLUG

SN: A34001--UP

1шт.

26

426-06-31120

SENSOR, OIL TEMPERATURE

SN: A34001--UP

1шт.

27

01010-E1225

BOLT

SN: A34001--UP

2шт.

28

01643-31232

WASHER

SN: A34001--UP

2шт.

29

419-22-33812

COVER, SENSOR

SN: A34001--UP

1шт.

30

04434-51012

CLIP

SN: A34001--UP

2шт.

31

01010-E1225

BOLT

SN: A34001--UP

1шт.

32

01643-31232

WASHER

SN: A34001--UP

1шт.

33

07095-20211

CUSHION

SN: A34001--UP

2шт.

34

419-22-21861

CARRIER

SN: A34001--UP

2шт.

35

419-22-11850

BEARING

SN: A34001--UP

2шт.

36

419-22-21760

SHIM, 0.05 MM

SN: A34001--UP

6шт.

|$39

419-22-21770

SHIM, 0.20 MM

SN: A34001--UP

3шт.

|$40

419-22-21780

SHIM, 0.30 MM

SN: A34001--UP

3шт.

|$41

419-22-21790

SHIM, 0.80 MM

SN: A34001--UP

2шт.

37

418-33-21430

RING

SN: A34001--UP

2шт.

38

01010-61240

BOLT

SN: A34001--UP

16шт.

39

01643-31232

WASHER

SN: A34001--UP

16шт.

40

419-33-21710

SEAL

SN: A34001--UP

2шт.

41

419-22-31710

COVER, GEAR

SN: A34001--UP

1шт.

42

01010-61225

BOLT

SN: A34001--UP

4шт.

43

01643-31232

WASHER

SN: A34001--UP

4шт.

Выбрано товаров: 49