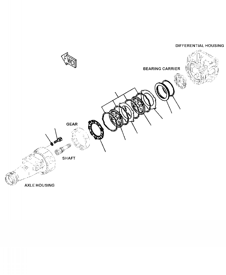
Запчасти Komatsu WA320-6 F-A ПЕРЕДНИЙ МОСТ ТОРМОЗ. СИЛОВАЯ ПЕРЕДАЧА И КОНЕЧНАЯ ПЕРЕДАЧА

Схема запчастей Komatsu WA320-6 - F-A ПЕРЕДНИЙ МОСТ ТОРМОЗ. СИЛОВАЯ ПЕРЕДАЧА И КОНЕЧНАЯ ПЕРЕДАЧА
6
4
3
5
7
2
8
5
2
1
FIT
1:1
100%

Артикул

Название

Примечание

Количество

|$0

AXLE ASSEMBLY (SEE FIG. F4400-51A0A )

SN: A34001--UP

-1шт.

|$11

OR

1

-1шт.

|$2

AXLE ASSEMBLY, LIMITED SLIP (SEE FIG. F4400-51A0A )

SN: A34001--UP

-1шт.

1

419-33-21761

PLATE

SN: A34001--UP

2шт.

2

418-33-21340

DISC

SN: A34001--UP

4шт.

3

419-33-21720

PISTON

SN: A34001--UP

2шт.

4

419-33-21420

SEAL

SN: A34001--UP

2шт.

5

419-33-31750

PLATE

SN: A34001--UP

4шт.

6

419-33-21740

SPRING

SN: A34001--UP

8шт.

7

01252-60816

BOLT

SN: A34001--UP

4шт.

8

154-61-16570

WASHER

SN: A34001--UP

4шт.

Выбрано товаров: 0