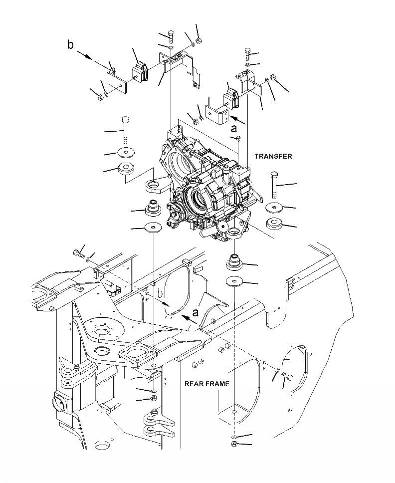
Запчасти Komatsu WA320-6 F-8A ПЕРЕДАЧА КРЕПЛЕНИЕ СИЛОВАЯ ПЕРЕДАЧА И КОНЕЧНАЯ ПЕРЕДАЧА

Схема запчастей Komatsu WA320-6 - F-8A ПЕРЕДАЧА КРЕПЛЕНИЕ СИЛОВАЯ ПЕРЕДАЧА И КОНЕЧНАЯ ПЕРЕДАЧА
12
13
14
11
15
14
4
15
13
11
12
3
2
12
13
13
12
1
7
18
6
5
7
6
5
5
8
16
17
5
8
10
17
16
9
10
9
FIT
1:1
100%

Артикул

Название

Примечание

Количество

1

419-14-31132

BRACKET, L.H.

SN: A32001--UP

1шт.

2

419-14-31145

BRACKET, R.H.

SN: A32001--UP

1шт.

3

419-14-31150

PLATE, L.H.

SN: A32001--UP

1шт.

4

419-14-31160

PLATE, R.H.

SN: A32001--UP

1шт.

5

418-01-11112

CUSHION

SN: A32001--UP

2шт.

6

419-01-11162

WASHER

SN: A32001--UP

2шт.

7

01011-62220

BOLT

SN: A32001--UP

2шт.

8

419-01-11162

WASHER

SN: A32001--UP

2шт.

9

01580-02218

NUT

SN: A32001--UP

2шт.

10

01643-32260

WASHER

SN: A32001--UP

2шт.

11

20S-01-71331

CUSHION

SN: A32001--UP

2шт.

12

01580-11008

NUT

SN: A32001--UP

4шт.

13

01643-31032

WASHER

SN: A32001--UP

4шт.

14

01010-81235

BOLT

SN: A32001--UP

4шт.

15

01643-31232

WASHER

SN: A32001--UP

4шт.

16

01010-81035

BOLT

SN: A32001--UP

4шт.

17

01643-31032

WASHER

SN: A32001--UP

4шт.

18

07049-01620

PLUG

SN: A32001--UP

2шт.

Выбрано товаров: 18