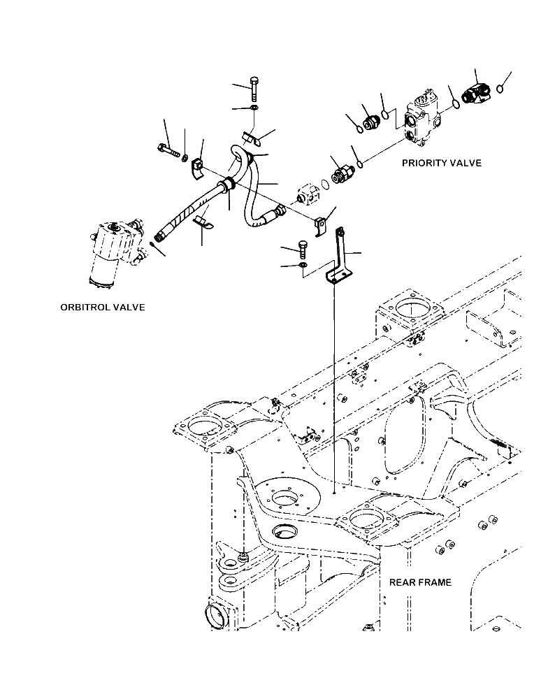
Запчасти Komatsu WA320-6 H-A КЛАПАН РУЛЕВОГО УПРАВЛЕНИЯ ПРИОРИТЕТН. КЛАПАН ЛИНИЯ (ЭКСТРЕНН. РУЛЕВ. УПРАВЛЕНИЕ) ГИДРАВЛИКА

Схема запчастей Komatsu WA320-6 - H-A КЛАПАН РУЛЕВОГО УПРАВЛЕНИЯ ПРИОРИТЕТН. КЛАПАН ЛИНИЯ (ЭКСТРЕНН. РУЛЕВ. УПРАВЛЕНИЕ) ГИДРАВЛИКА
3
4
2
11
2
1
4
12
11
12
9
9
8
7
10
5
9
10
14
13
9
6
15
FIT
1:1
100%

Артикул

Название

Примечание

Количество

1

418-62-32172

NIPPLE

SN: A34001--UP

1шт.

2

418-62-11630

O-RING

SN: A34001--UP

2шт.

3

419-62-31542

ELBOW

SN: A34001--UP

1шт.

4

11Y-62-11980

O-RING

SN: A34001--UP

2шт.

5

419-62-48312

HOSE, 1610 MM

SN: A34001--UP

1шт.

6

02896-11015

O-RING

SN: A34001--UP

1шт.

7

419-62-31840

VALVE

SN: A34001--UP

1шт.

8

418-62-11620

O-RING

SN: A34001--UP

1шт.

9

07094-00518

CLAMP

SN: A34001--UP

4шт.

10

07095-00523

CUSHION

SN: A34001--UP

2шт.

11

01010-81270

BOLT

SN: A34001--UP

2шт.

12

01643-31232

WASHER

SN: A34001--UP

2шт.

13

419-62-41170

BRACKET

SN: A34001--UP

1шт.

14

01010-81025

BOLT

SN: A34001--UP

2шт.

15

01643-31032

WASHER

SN: A34001--UP

2шт.

Выбрано товаров: 15