Запчасти Komatsu WA320-6 H-A ГИДРОЛИНИЯ ECSS АККУМУЛЯТОР ТРУБЫ ГИДРАВЛИКА

Схема запчастей Komatsu WA320-6 - H-A ГИДРОЛИНИЯ ECSS АККУМУЛЯТОР ТРУБЫ ГИДРАВЛИКА
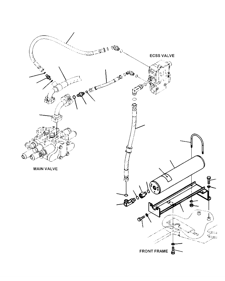
22
23
24
21
19
20
18
16
17
25
26
4
1
15
8
11
10
13
9
14
5
12
6
7
3
2
9
8
FIT
1:1
100%

Артикул

Название

Примечание

Количество

1

ACCUMULATOR ASSEMBLY (SEE FIG. H4200-30A0 )

SN: A34001--UP

-1шт.

2

01010-81230

BOLT

SN: A34001--UP

2шт.

3

01643-31232

WASHER

SN: A34001--UP

2шт.

4

421-S99-3132

CLIP

SN: A34001--UP

1шт.

5

01643-31032

WASHER

SN: A34001--UP

2шт.

6

01580-01008

NUT

SN: A34001--UP

2шт.

7

419-S99-3830

BRACKET

SN: A34001--UP

1шт.

8

01010-81225

BOLT

SN: A34001--UP

4шт.

9

01643-31232

WASHER

SN: A34001--UP

4шт.

10

419-62-33871

ADAPTER

SN: A34001--UP

1шт.

11

07002-12434

O-RING

SN: A34001--UP

1шт.

12

02782-10630

ELBOW

SN: A34001--UP

1шт.

13

07002-12434

O-RING

SN: A34001--UP

1шт.

14

02896-11018

O-RING

SN: A34001--UP

1шт.

15

09659-A057B

PLATE, SAFETY

SN: A34001--UP

1шт.

16

02781-00422

UNION

SN: A34001--UP

1шт.

17

07002-12034

O-RING

SN: A34001--UP

1шт.

18

02896-11012

O-RING

SN: A34001--UP

1шт.

19

02781-00522

UNION

SN: A34001--UP

1шт.

20

07002-12434

O-RING

SN: A34001--UP

1шт.

21

02896-11015

O-RING

SN: A34001--UP

1шт.

22

HOSE, 900 MM (SEE FIG. H4200-15A1 )

SN: A34001--UP

-1шт.

23

HOSE, 1700 MM (SEE FIG. H4200-03A0 )

SN: A34001--UP

-1шт.

24

HOSE, 335 MM (SEE FIG. H4200-15A1 )

SN: A34001--UP

-1шт.

25

TUBE (SEE FIG. H4200-02A0 )

SN: A34001--UP

-1шт.

26

HOSE (SEE FIG. H4200-15A1 )

SN: A34001--UP

-1шт.

Выбрано товаров: 26