Запчасти Komatsu WA320-6 K-A ПОЛ СУППОРТ OPERATORXD S ОБСТАНОВКА И СИСТЕМА УПРАВЛЕНИЯ

Схема запчастей Komatsu WA320-6 - K-A ПОЛ СУППОРТ OPERATORXD S ОБСТАНОВКА И СИСТЕМА УПРАВЛЕНИЯ
3
2
4
6
2
5
1
1
FIT
1:1
100%

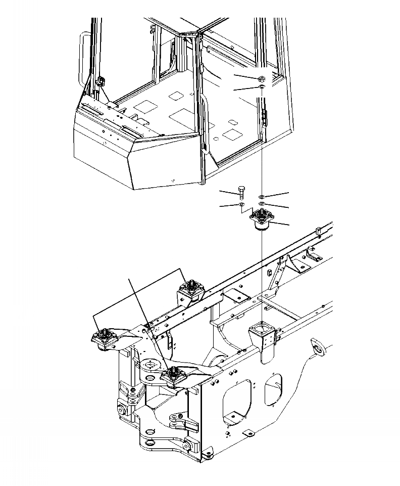
Артикул

Название

Примечание

Количество

1

418-54-33110

VISCOUS MOUNT

SN: A34001--UP

4шт.

2

01643-32460

WASHER

SN: A34001--UP

8шт.

3

01596-02419

NUT

SN: A34001--UP

4шт.

4

01010-61845

BOLT

SN: A34001--UP

16шт.

5

01643-21845

WASHER

SN: A34001--UP

16шт.

6

561-40-41210

SHIM, 1.2 MM

SN: A34001--UP

4шт.

Выбрано товаров: 6