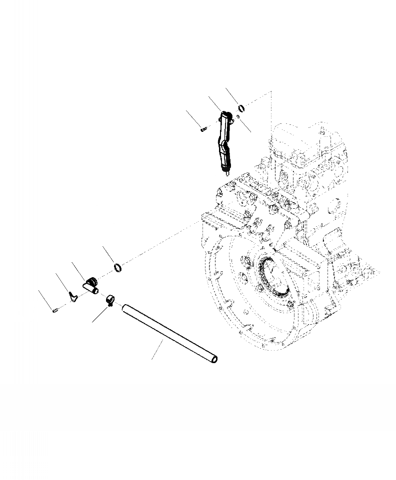
Запчасти Komatsu WA320-6 A-AA САПУН КАРТЕРА ДВИГАТЕЛЬ

Схема запчастей Komatsu WA320-6 - A-AA САПУН КАРТЕРА ДВИГАТЕЛЬ
3
2
10
9
4
1
5
7
6
8
FIT
1:1
100%

Артикул

Название

Примечание

Количество

1

6742-01-0700

SEAL, O-RING

1шт.

2

6754-21-6180

CLAMP, SPRING HOSE

1шт.

3

6754-21-6170

HOSE, PLAIN

1шт.

4

6754-21-6140

BREATHER, CRANKCASE

1шт.

5

6754-21-6280

BOLT

2шт.

|$5

6754-21-6100

TUBE, BREATHER

1шт.

6

6754-21-6240

SEAL, O-RING

2шт.

7

NSS

TUBE, BREATHER

1шт.

8

6754-21-6250

SEAL, O-RING

1шт.

9

6754-21-6150

PLATE, CLAMPING

1шт.

10

6754-21-6190

BOLT

1шт.

Выбрано товаров: 11