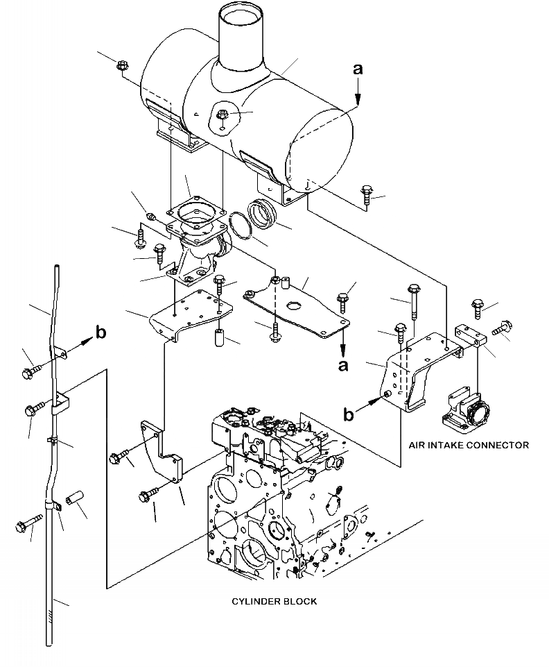
Запчасти Komatsu WA320-6 B-AA ГЛУШИТЕЛЬ ДЛЯ 9 A ГЕНЕРАТОР КОМПОНЕНТЫ ДВИГАТЕЛЯ

Схема запчастей Komatsu WA320-6 - B-AA ГЛУШИТЕЛЬ ДЛЯ 9 A ГЕНЕРАТОР КОМПОНЕНТЫ ДВИГАТЕЛЯ
5
1
5
2
19
17
3
22
21
20
23
24
14
18
7
11
26
12
4
8
27
10
13
6
9
27
29
25
15
32
16
30
31
28
FIT
1:1
100%

Артикул

Название

Примечание

Количество

1

6754-11-5220

MUFFLER

1шт.

2

6151-11-5751

GASKET

1шт.

3

01435-01035

BOLT

2шт.

4

01435-01050

BOLT

2шт.

5

01584-01008

NUT

4шт.

6

6754-11-5550

BRACKET

1шт.

7

01435-01095

BOLT

1шт.

8

01435-01025

BOLT

1шт.

9

6754-11-5560

PLATE

1шт.

10

01435-01040

BOLT

2шт.

11

01435-00845

BOLT

2шт.

12

6754-11-5570

BRACKET

1шт.

13

6152-51-5520

SPACER

2шт.

14

01435-01075

BOLT

2шт.

15

6754-11-5580

PLATE

1шт.

16

01435-00830

BOLT

2шт.

17

01435-01025

BOLT

2шт.

18

6754-11-5610

ELBOW

1шт.

19

07042-20108

PLUG

1шт.

20

01435-01025

BOLT

4шт.

21

6137-11-5291

RING

1шт.

22

6754-11-5620

TUBE

1шт.

23

6754-11-5590

BRACKET

1шт.

24

01435-01035

BOLT

2шт.

25

01435-01030

BOLT

2шт.

26

6754-11-5470

TUBE

1шт.

27

01435-00814

BOLT

2шт.

28

07260-20980

HOSE

1шт.

29

07285-00155

CLIP

1шт.

30

04434-51612

CLIP

1шт.

31

01435-01280

BOLT

1шт.

32

6164-91-6290

SPACER

1шт.

Выбрано товаров: 32