Качественные детали и логистика
Оригинальные и аналоговые запчасти с доставкой по России, Казахстану и Беларуси
©2022 PartSell ООО "Система" ИНН 2463123282 ОГРН 1212400004838
Центральный офис: г. Красноярск, Академика Киренского, д.87, пом.4
Телефон: 8 (800) 777-65-74 Email: zakaz@partsell.ru
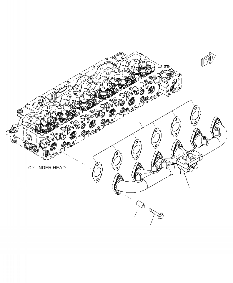
A9-AA ВЫПУСКНОЙ КОЛЛЕКТОР
№
Артикул
Название
Примечание
Количество
1
6754-11-5110
MANIFOLD, EXHAUST
1шт.
2
6754-11-5140
GASKET
6шт.
3
6754-11-5150
SPACER
12шт.
4
6732-11-5860
BOLT
Выбрано товаров: 0