Запчасти Komatsu WA320-6 F-A ЗАДН. МОСТ КОЖУХ МОСТА КРЕПЛЕНИЕ СИЛОВАЯ ПЕРЕДАЧА И КОНЕЧНАЯ ПЕРЕДАЧА

Схема запчастей Komatsu WA320-6 - F-A ЗАДН. МОСТ КОЖУХ МОСТА КРЕПЛЕНИЕ СИЛОВАЯ ПЕРЕДАЧА И КОНЕЧНАЯ ПЕРЕДАЧА
5
4
2
3
1
1
3
2
FIT
1:1
100%

Артикул

Название

Примечание

Количество

|$0

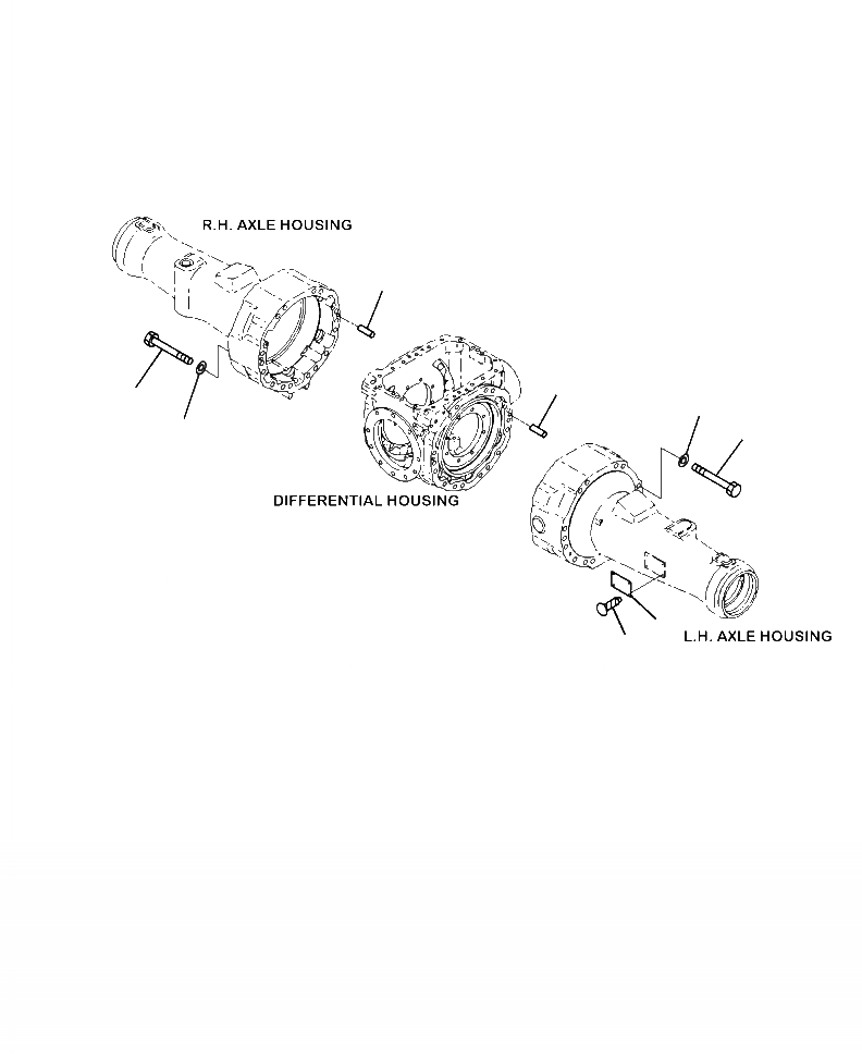
AXLE ASSEMBLY SEE FIG. F4500-51A0

SN: A35001--UP

-1шт.

|$8

OR

1

-1шт.

|$2

AXLE ASSEMBLY (LIMITED SLIP DIFFERENTIAL) SEE FIG. F4500-51A0

SN: A35001--UP

-1шт.

1

04020-01228

PIN, DOWEL

SN: A35001--UP

4шт.

2

01011-61675

BOLT

SN: A35001--UP

32шт.

3

01643-31645

WASHER

SN: A35001--UP

32шт.

4

NSS

PLATE, NAME

SN: A35001--UP

1шт.

5

04418-13060

SCREW

SN: A35001--UP

4шт.

Выбрано товаров: 8