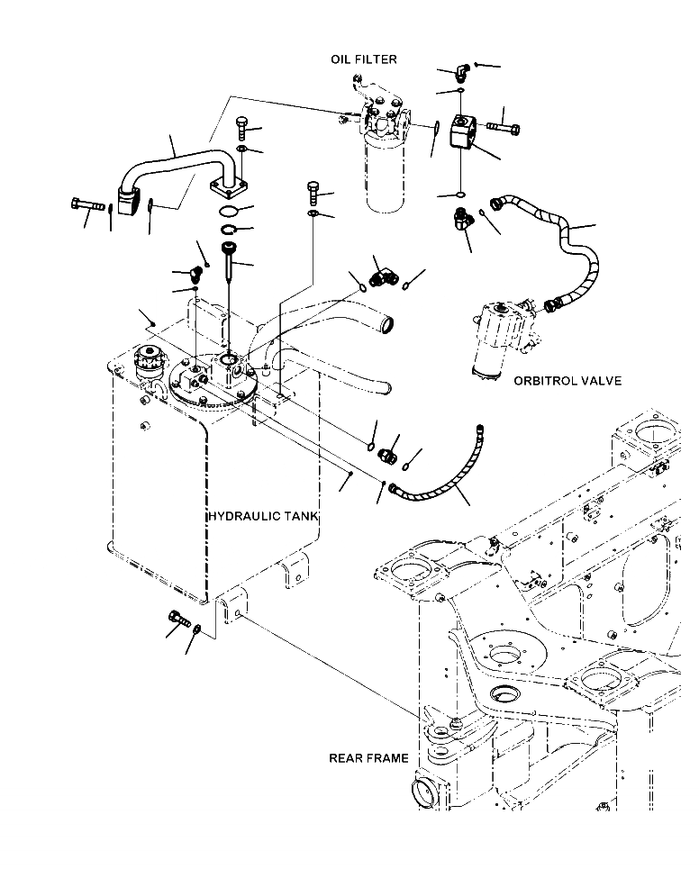
Запчасти Komatsu WA320-6 H-A ГИДР. БАК. КРЕПЛЕНИЕ ГИДРАВЛИКА

Схема запчастей Komatsu WA320-6 - H-A ГИДР. БАК. КРЕПЛЕНИЕ ГИДРАВЛИКА
32
31
19
21
24
27
25
26
21
20
18
21
17
15
14
11
12
13
16
23
22
29
28
30
32
31
5
10
1
9
3
7
6
8
4
2
FIT
1:1
100%

Артикул

Название

Примечание

Количество

1

419-62-48322

HOSE, 870 MM

SN: A35001--UP

1шт.

2

419-62-48440

BLOCK

SN: A35001--UP

1шт.

3

07000-13038

O-RING

SN: A35001--UP

1шт.

4

01252-71060

BOLT

SN: A35001--UP

4шт.

5

419-62-48640

ELBOW

SN: A35001--UP

1шт.

6

02782-10313

ELBOW

SN: A35001--UP

1шт.

7

07002-11823

O-RING

SN: A35001--UP

1шт.

8

02896-11009

O-RING

SN: A35001--UP

1шт.

9

07002-12434

O-RING

SN: A35001--UP

1шт.

10

02896-11015

O-RING

SN: A35001--UP

1шт.

11

419-62-48293

TUBE

SN: A35001--UP

1шт.

12

01010-81035

BOLT

SN: A35001--UP

4шт.

13

01643-31032

WASHER

SN: A35001--UP

4шт.

14

01010-81065

BOLT

SN: A35001--UP

4шт.

15

01643-31032

WASHER

SN: A35001--UP

4шт.

16

07000-13050

O-RING

SN: A35001--UP

1шт.

17

07000-13035

O-RING

SN: A35001--UP

1шт.

18

22J-62-25121

ELBOW

SN: A35001--UP

1шт.

19

02896-11008

O-RING

SN: A35001--UP

1шт.

20

07002-11423

O-RING

SN: A35001--UP

1шт.

21

02896-11009

O-RING

SN: A35001--UP

3шт.

22

419-62-31640

VALVE ASSEMBLY

SN: A35001--UP

1шт.

23

04065-04218

RING

SN: A35001--UP

1шт.

24

419-62-48630

HOSE, 480 MM

SN: A35001--UP

1шт.

25

02781-00628

UNION

SN: A35001--UP

1шт.

26

07002-12434

O-RING

SN: A35001--UP

1шт.

27

02896-11018

O-RING

SN: A35001--UP

1шт.

28

02782-10628

ELBOW

SN: A35001--UP

1шт.

29

07002-12434

O-RING

SN: A35001--UP

1шт.

30

02896-11018

O-RING

SN: A35001--UP

1шт.

31

01010-81240

BOLT

SN: A35001--UP

3шт.

32

01643-31232

WASHER

SN: A35001--UP

3шт.

Выбрано товаров: 32