Запчасти Komatsu WA320-6 H-A УПРАВЛЯЮЩ. КЛАПАН COMPLETE ASSEMBLY - 4-Х СЕКЦИОНН. (/) ГИДРАВЛИКА

Схема запчастей Komatsu WA320-6 - H-A УПРАВЛЯЮЩ. КЛАПАН COMPLETE ASSEMBLY - 4-Х СЕКЦИОНН. (/) ГИДРАВЛИКА
2
3
4
1
6
5
8
7
FIT
1:1
100%

Артикул

Название

Примечание

Количество

|$0

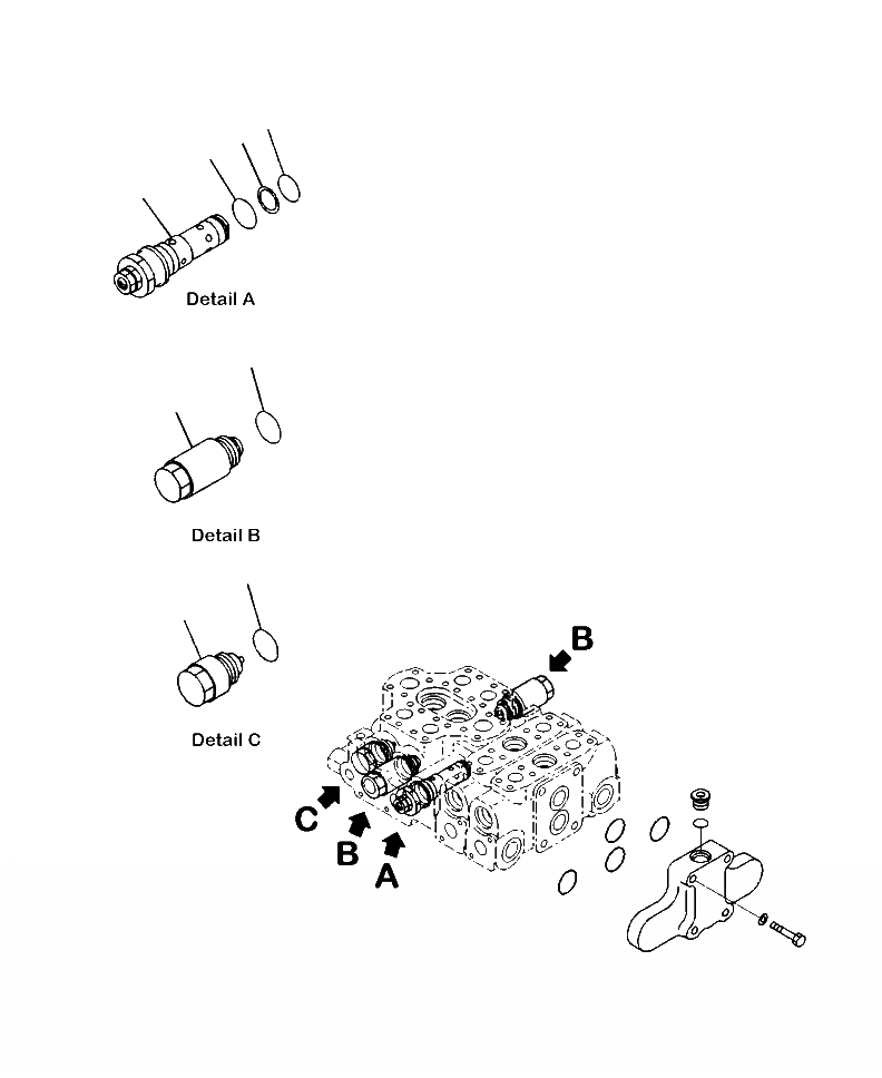
VALVE ASSEMBLY ( SEE FIG. H0120-02A2 )

SN: A35001--UP

-1шт.

1

709-90-54501

VALVE ASSEMBLY, RELIEF

SN: A35001--UP

1шт.

2

700-93-11320

O-RING

SN: A35001--UP

1шт.

3

700-93-11330

RING, BACK-UP

SN: A35001--UP

1шт.

4

07002-13634

O-RING

SN: A35001--UP

1шт.

5

709-10-62101

VALVE ASSEMBLY, SUCTION & SAFETY

SN: A35001--UP

2шт.

6

07002-03634

O-RING

SN: A35001--UP

1шт.

7

723-60-23800

VALVE ASSEMBLY, SUCTION

SN: A35001--UP

1шт.

8

07002-13634

O-RING

SN: A35001--UP

1шт.

Выбрано товаров: 9